| Administratie | Alimentatie | Arta cultura | Asistenta sociala | Astronomie |
| Biologie | Chimie | Comunicare | Constructii | Cosmetica |
| Desen | Diverse | Drept | Economie | Engleza |
| Filozofie | Fizica | Franceza | Geografie | Germana |
| Informatica | Istorie | Latina | Management | Marketing |
| Matematica | Mecanica | Medicina | Pedagogie | Psihologie |
| Romana | Stiinte politice | Transporturi | Turism |
Principiul procedeului de sudare prin presiune in puncte
Acest procedeu de sudare se bazeaza pe efectul Joule-Lenz de trecere a curentului electric prin coloana de metal cuprinsa intre varfurile unor electrozi de contact din aliaj de cupru, ce strang componentele de sudat cu o anumita forta .
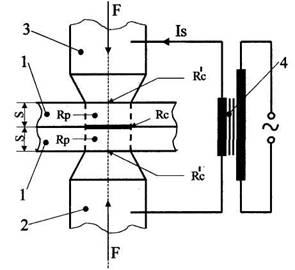
In figura 1 se se prezinta principiul acestui procedeu.

Fig. 1 Principiul procedeului de sudare electrica prin presiune in puncte
Punctul de sudura care se obtine este de forma lenticulara, in planul de separatie al componentelor.
Dupa pozitia electrozilor de contact se deosebesc;
- sudarea in puncte directa, la care electrozii de contact sunt plasati pe ambele parti ale componentelor, conform figurii 2.

Fig. 2 Schema de principiu pentru sudarea in puncte directa.
1- componente supuse procesului de sudare, 2 - electrod de contact inferior;
3- electrod de contact superior; 4 - transformator de sudare.
- sudarea prin puncte indirecta , numita si sudare in puncte pe o singura parte, electrozii de contact fiind asezati pe o parte a componentelor, inchiderea circuitului electric facandu-se prin intermediul componentelor, in final rezultand doua puncte sudate, conform figurii 3.

Fig.3 Schema de principiu pentru sudarea in puncte indirecta
1 - componente de sudare; 2 - electrozi de contact;3 - transformator de sudare;4 -masa suport pentru inchiderea circuitului electric.
In cazul sudarii prin puncte din doua parti, cele doua componente de sudat 1, sunt stranse cu o forta F intre electrozii de contact 2 si 3 , confectionati dintr-un material cu conductibilitate electrica si termica ridicata , fiind conectati in circuitul secundar al unei surse de curent 4 (transformator, redresor), caracterizata prin producerea unui curent de intensitate ridicata (de ordinul sutelor si miilor de amperi) si tensiune mica (de ordinul voltilor )
Sursa de sudare se conecteaza pentru o durata determinata de timp, numai dupa o strangere prealabila a componentelor de sudat.
Curentul de sudare ' ls', strabate componentele de sudat concentrandu-se mai ales in coloana cuprinsa intre varfurile electrozilor. Ca urmare a efectului Joule-Lenz, masa de metal dintre electrozi de contact se comporta ca o rezistenta electrica si ca urmare se incalzeste . incalzirea se va produce in prima faza in zona de contact dintre componente, unde rezistenta opusa la trecerea curentului este mai mare. Pe masura ce aceasta zona se incalzeste, sub actiunea fortei de strangere, cele doua componente de sudat vin in contact tot mai apropiat si se produce incalzirea intregii coloane de metal.
Datorita rezistentei electrice de contact dintre componente, rezistentei proprii a coloanei de metal si efectului de racire a electrozilor, temperatura maxima se obtine la locul de contact a componentelor, in dreptul electrozilor, astfel ca dupa un anumit timp in aceasta zona se formeaza un nucleu de metal topit apartinand ambelor componente de imbinat , ce va creste in dimensiuni pe masura trecerii curentului electric de sudare. La intreruperea curentului de sudare, nucleul topit se va solidifica, formand punctul de sudura . O operatie de sudare simpla, prin presiune in puncte necesita parcurgerea urmatoarelor faze, reprezentate schematic in figura 4.
a)- componentele de sudat suprapuse, se introduc in pozitia necesara, intre electrozii de contact,
b)- coborarea electrodului de contact superior si strangerea componentelor intre cei doi electrozi,
c)- conectarea curentului de sudare , pentru un timp determinat, care duce la formarea nucleului topit,
d)- intreruperea curentului de sudare si solidificarea nucleului topit sub actiunea fortei de strangere F intre cei doi electrozi,
|
|
e)- ridicarea electrodului de contact superior si retragerea componentelor, urmand ca succesiunea fazelor descrisa sa se repete pentru un loc de sudare in puncte.
Fig 4. Fazele operatiilor de sudare electrica prin presiune in puncte
In cazurile concrete de sudare este necesara stabilirea judicioasa a duratei fiecareia din fazele prezentate, astfel incat sa se poata obtine o calitate corespun-zatoare a punctului sudat in conditiile unei productivitati ridicate.
Acest document nu se poate descarca
| E posibil sa te intereseze alte documente despre: |
| Copyright © 2026 - Toate drepturile rezervate QReferat.com | Folositi documentele afisate ca sursa de inspiratie. Va recomandam sa nu copiati textul, ci sa compuneti propriul document pe baza informatiilor de pe site. { Home } { Contact } { Termeni si conditii } |
Documente similare:
|
ComentariiCaracterizari
|
Cauta document |