| Administratie | Alimentatie | Arta cultura | Asistenta sociala | Astronomie |
| Biologie | Chimie | Comunicare | Constructii | Cosmetica |
| Desen | Diverse | Drept | Economie | Engleza |
| Filozofie | Fizica | Franceza | Geografie | Germana |
| Informatica | Istorie | Latina | Management | Marketing |
| Matematica | Mecanica | Medicina | Pedagogie | Psihologie |
| Romana | Stiinte politice | Transporturi | Turism |
CONVERTOARE DE MASURARE IN REGIM DINAMIC
1.Chestiuni de studiat.
Ecuatii de functionare pentru convertoarele de masurare.
1.2. Comportarea convertoarelor in domeniul timp.
1.2.1. Convertoare de ordinul I
1.2.2. Convertoare de ordinul II
1.3. Comportarea convertoarelor in domeniul frecventa.
Determinarea experimentala a caracteristicii de frecventa
2.Mod de experimentare.
2.1.Regimul dinamic corespunde situatiei in care marimea aplicata la intrarea unui mijloc de masurare (MM) este functie de timp - x(t) - si ca urmare, si marimea de iesire este functie de timp - y(t). Cunoasterea comportarii in regim dinamic este importanta atat pentru mijloacele de masurare a marimilor electrice si neelectrice cat si pentru sistemele destinate vizualizari si masurarii variatiei in timp a marimilor.
In procesul de masurare a unei marimi variabile in timp MM prezinta o eroare dinamica datorata structurii lantului de masurare si elementelor componente ale convertoarelor de masurare. Variatiile marimii de intrare x(t) nu pot fi urmarite instantaneu de catre MM datorita inertiilor de tip electric, termic sau electromagnetic si a amortiza-rilor, iar evolutia in timp a marimii de intrare se transmite cu intarziere la iesire, uneori cu deformari in raport cu caracteristica statica de conversie.
Relatia intre marimea de intrare si cea de iesire este, in general, o ecuatie dife-rentiala liniara cu coeficienti constanti, de ordin n:
Functie de ordinul n al ecuatiei diferentiale, convertoarele de masurare cele mai intalnite in structura lanturilor de masurare se clasifica astfel:
-
convertoare de ordin zero
-
convertoare de ordin I
-
convertoare de ordin II
Analiza comportarii in regim dinamic a unui mijloc de masurare se realizeaza in domeniul timp si in domeniul frecventa.
Criteriile de apreciere a calitatii MM in privinta comportarii in domeniul timp, in momentul aplicarii la intrare a unei functii treapta sunt:
- timpul de crestere - tcr - timpul in care semnalul creste de la 10% la 90% din valoarea de regim stabilizat (fig.1)


Fig.1. Definirea parametrilor caracteristici in domeniul timp.
-
timpul de stabilizare -ts - timpul care trece de
la aplicarea marimi de intrare si pana cind marimea de iesire
atinge o valoare care se abate cu mai putin de o valoare prescrisa
fata de cea
de regim stabilizat;
-constanta de timp - -intervalul de timp dupa care semnalul de iesire atinge 63,2% din valoarea de regim permanent;
-timpul de intarziere - tm -decalajul de timp al raspunsului fata de intrare;
-supracresterea - - depasirea maxima a valorii de regim permanent a marimii de iesire, la aplicarea functiei treapta la intrare.
2.2.1. Ecuatia de functionare pentru convertorul de ordinul I se poate scrie si sub forma:
cu: - constanta de timp, S-sensibilitatea convertorului.
Marimea
de iesire, la aplicarea unei functii treapta
, are expresia:
In fig.2. se prezinta acest raspuns, sub forma adimensionala, precum si modul de determinare a constantei de timp.
|
Fig. 2.Constanta de timp |

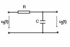
Se va studia convertorul de ordinul I de tip electric. Schema montajului utilizat este prezentata in fig.3.
|
Fig.3. Studiul convertorului de ordinul I in domeniul timp |

Ecuatia
specifica convertorului este :
Se aplica de la un generator de semnal tensiunea u (t) de forma dreptunghiulara cu durata mare a palierului. Se aduc cele doua semnale la intrarile unui osciloscop cu doua canale. Se masoara parametrii caracteristici (, tcr , ts
Datele se trec in tabelul 2.
Tabel 2
|
R |
C |
calc = RC |
mas |
tcr |
ts |
|
|
F |
s |
s |
s |
s |
|
|
|
|
|
|
|
Constanta de timp se determina in doua moduri:
direct din masurarea cu ajutorul osciloscopului ca fiind timpul in care semnalul de iesire atinge 63,2 % din valoarea de regim;
prin calcul, functie de valorile masurate.
Pornind de la:
Din valorile masurate , la diferite intervale de timp t , pentru y=u (t) si pentru SXo=u (t) se poate construi graficul din fig.4.
|
Fig. 4. Mod de determinare a constantei de timp |

Prin regresie liniara se construieste dreapta de aproximare cea mai probabila
y = ax + b
-valori medii
2.2.2.Ecuatia de functionare pentru convertorul de ordinul II se poate pune sub forma:
unde:
- pulsatia
proprie
- factor de
amortizare
In functie de valorile factorului de amortizare pot exista trei regimuri de functionare (fig.5):

Fig.5. Raspunsurile convertorului de ordinul II
-oscilator amortizat
-aperiodic critic
-aperiodic supraamortizat
Se vor face masuratori pentru un convertor de ordinul II de tip electric - fig.6
|
Fig.6.Schema de montaj pentru convertorul de ordinul II de tip electric |

Se aplica de la un generator de semnal tensiunea u (t) de forma dreptunghiulara cu durata mare a palierului. Se aduc cele doua semnale la intrarile unui osciloscop cu doua canale.
Datele se trec in tabelul 3.
Tabel 3
|
Regim |
R |
L |
C |
ocalc |
calc |
calc |
tscalc |
omas |
mas |
mas |
tsmas |
|
|
|
H |
F |
rad/s |
|
|
s |
rad/s |
|
|
s |
|
|
|
|
|
|
|
|
|
|
|
|
|
Valori calculate:
( sau 0,05).
Valori
masurate:
unde: ymax, y -valoarea maxima, respectiv de regim permanent a marimii de iesire.
cu T -
perioada primei oscilatii
Comportarea in domeniul frecventa se studiaza cu ajutorul caracteristicii de frecventa:

cu cele doua componente ale sale:
-
caracteristica amplitudine -frecventa
-
caracteristica faza - frecventa ![]()


Fig.8. Caracteristica de frecventa a convertorului de ordin I

Fig.9.Caracteristica de frecventa a convertorului de ordinul II
Se vor face determinari pentru convertoarele de tip electric prezentate in fig.3 si 6. Se vor alimenta montajele, de la un generator de semnal, cu tensiuni alternative sinusoidale u (t) a caror frecventa se variaza. Se citesc la osciloscop valorile maxime pentru tensiunile de intrare, respectiv de iesire, precum si defazajul intre cele doua semnale la fiecare frecventa reglata.
Datele se trec in tabelul 5.
Tabel 5.
|
R |
L |
C |
U1max |
U2max |
H |
mas |
Bmas |
H )calc |
calc |
|
|
H |
F |
V |
V |
|
grad |
Hz |
|
grad |
|
|
|
|
|
|
|
|
|
|
|
Relatii de calcul:
Convertor de ordin I:
Observatie: Banda de frecventa
B este cuprinsa intre
si
, deoarece:
Convertorul de ordin II:
Banda de frecventa B rezulta:
Pentru amortizari slabe, caracteristica amplitudine - frecventa prezinta un maxim dat de relatia:
3.Intrebari recapitulative.
3.1. Sa se scrie ecuatiile de functionare in domeniul timp pentru convertoarele de ordinul I si II.
3.2. Sa se obtina prin calcul relatiile ce definesc raspunsul la o excitatie treapta pentru aceste convertoare.
3.3. Deduceti caracteristica de frecventa pentru convertoarele de ordinul I si II.
3.4. Care sunt parametrii caracteristici pentru caracterizarea in domeniul timp a convertoarelor de masurare?
3.5. Care sunt parametrii ce permit caracterizarea in domeniul frecventa a convertoarelor de masurare?
Acest document nu se poate descarca
| E posibil sa te intereseze alte documente despre: |
| Copyright © 2025 - Toate drepturile rezervate QReferat.com | Folositi documentele afisate ca sursa de inspiratie. Va recomandam sa nu copiati textul, ci sa compuneti propriul document pe baza informatiilor de pe site. { Home } { Contact } { Termeni si conditii } |
Documente similare:
|
ComentariiCaracterizari
|
Cauta document |