| Administratie | Alimentatie | Arta cultura | Asistenta sociala | Astronomie | 
| Biologie | Chimie | Comunicare | Constructii | Cosmetica | 
| Desen | Diverse | Drept | Economie | Engleza | 
| Filozofie | Fizica | Franceza | Geografie | Germana | 
| Informatica | Istorie | Latina | Management | Marketing | 
| Matematica | Mecanica | Medicina | Pedagogie | Psihologie | 
| Romana | Stiinte politice | Transporturi | Turism | 
SCHEME ELECTRICE
Scheme de distributie pentru tabloul general
1.1 Schemele de distributii la consumator se clasifica astfel
Scheme de distributie radiala simpla (arborescenta)
Schema de distributie cu coloane magistrale
Schema de distributie in cascada
Schema de distributie radiala dubla
Schema de distributie cu dubla alimentare (cu linie principala sau buclata simplu)
Schema de distributie radiala simpla
Este cea mai utilizata ,realizand o instalatie simpla , clara ,usor de intretinut si relativ sigura din punct de vedere al selectivitatii
Coloanele principale sant intotdeauna realizate in distributie trifazata , alimentand o sarcina importanta (peste 30 A pe faza )

Figura 19
In figura de mai sus este data alcatuirea unei scheme de distributie radiale .
Tabloul general alimenteaza prin coloane principale TP 1,TP 2,TP 3 , iar de la acestea prin coloane secundare , tablourile secundare TS 1,2, . la care prin circuite se racordeaza receptoarele .
Schema de distributie cu coloane magistrale
Prezinta avantajul unei distributii economice prin folosirea unei singure coloane (magistrale) din care se alimenteaza prin derivatii tablourile secundare (este reprezentata in figura 20)
Utilizarea sa este indicata fie in cazul constructiilor cu mai multe niveluri , la care tablourile de lumina sau forta sunt situate pe aceeasi verticala ,fie in cazul distributiei pe un singur nivel , la care este prevazut un numar mare de tablouri de distributie de forta , de putere mica
In scopul unei exploatari sigure este recomandabila prevederea intreruptoarelor manuale inaintea sigurantei de intrare (prezentare in figura 21)
 
 

Figura 21
Figura 20
Pentru evitarea dificultatilor constructive ce apar la pozarea tuburilor de diametre mari , la unele constructii civile sau similare cu structurile de rezistenta ce utilizeaza diafragme din beton armat , este necesara mentinerea sectiunii coloanelor magistrale la cel mult 35-50 mm
Un caz particular il constituie schema de distributie pentru blocurile de locuinte , prezentata in figura 22 .
Aceasta schema ,prin alcatuirea sa trebuie sa fie elastica in sensul prevederii posibilitatilor de extindere datorita cresterii rapide a consumului de energie in domeniul electrocasnic

Figura 22
1.4 Scheme de distributie in cascada
Este economica ( schema este prezentata in figura 23)
Nu prezinta siguranta in exploatare , un defect al tabloului general (TG) atrage scoaterea din functie a tablourilor secundare ,TS 1.2,TS 1.3 , TS 1.2',TS 1.3'
Se utilizeaza in constructiile civile la care nu se cere un grad de siguranta ridicat (consumatori de categoria III ), daca constructia este desfasurata pe suprafete intinse
 
 
Figura 23
Scheme de distributie radiala dubla
Se utilizeaza in cazuri speciale pentru alimentarea cu energie electrica a unor receptoare vitale , de categoria I (statii de hidrofor sau de pompare pentru incendii) (figura 24)
 
 
Figura 24
1. 6 Scheme de distributie cu dubla alimentare
Se utilizeaza pentru consumuri importante , care cer o alimentare permanenta cu energie electrica (institutii de stat cu birouri ce lucreaza in permanenta , redactiile unor cotidiene ,studiouri de radio-televiziune )
In figura 25 este reprezentata o schema cu dubla alimentare din doua surse independente , cu distributie in coloana magistrala si comutare locala in fiecare tablou
In figura 26 este reprezentata o schema de distributie buclata simpla , care este mai economica decat cea precedenta
 
 
Figura 25
 
 
Figura 26
Scheme de distributii pentru tabloul secundar
in ansamblul unei instalatii interioare sunt utilizate tablouri generale si secundare fiind uneori folosit ca element de distributie intermediar , tabloul principal
din punct de vedere al receptoarelor de alimentare tablourile de distributie se clasifica in
tablouri pentru receptoare de iluminat si prize (tabloul de lumina)
tablouri pentru receptoare de forta (tablouri de forta)
1 Schema de distributie a tabloului secundar pentru receptoare de lumina si prize
aceasta schema reprezinta modul de legare lan retea a receptoarelor respective , fiind alcatuite cu respectarea normelor si considerentele lor functionale
caracteristicile unei scheme secundare
a) circuitele de lumina sunt in general separate de cele de priza , pentru ca prizele au sarcini variabile putandu-se defecta destul de usor , spre deosebire de circuitele de lumina care au sarcini constante . Pentru garsonierele cu confort redus , incaperile din camin tip internat si corpurile anexe neimportante ale unei constructii se pot utiliza in comun circuite de lumina si prize.
b) Circuitele de lumina pot fi monofazate sau trifazate ,in functie de puterea receptoarelor racordate , iar in incaperile mar(hale industriale , sali de spectacole ), circuitele sunt trifazate .La circuitele trifazate se pot monta cel mult 30 corpuri de iluminat pe o faza , insumand op putere maxima de 2000 W pe o faza .
La locuinte incarcarile si numarul receptoarelor se limiteaza astfel
Pentru un circuit de lumina , cel mult 12 corpuri de iluminat cu exceptia circuitelor pentru iluminatul comun , unde sunt admise 15 corpuri de iluminat , cu o incarcare de cel mult 1000 W/circuit
Pentru un circuit de prize , cel mult 8 prize si 800 W pe circuit
c) In scopul unei exploatari corespunzatoare , tablourile secundare cu un mare numar de circuite sau aferente unor incaperi importante se prevad cu intreruptoare generale
In figura 27 este un exemplu de schema de distributie pentru un tablou secundar , alcatuit in spiritul considerentelor enumerate
 
 
Figura 27
2 Schema de distributie a tabloului secundar de forta
Receptoarele de forta impun conditii specifice de racordare la retea ,incat schemele de distributie trebuie sa indeplineasca conditiile:
a) Pentru siguranta in functionare alimentarea motoarelor se realizeaza in circuite separate . Pentru motoarele cu puteri mici , a caror putere cumulata este sub 10 KW si care servesc acelasi proces tehnologic , se pot utiliza circuite comune
b) Tablourile secundare de forta , in scopul unei intretineri simple ,este necesar sa fie prevazute cu intreruptoare manuale . De asemenea , la tablourile secundare alimentate prin coloane relativ lungi , pentru localizarea defectelor se monteaza sigurante generale
c) Motoarele si circuitele lor se protejeaza la suprasarcini cu relee termice , care actioneaza asupra intreruptorului automat , si la scurtcircuit cu relee electromagnetice sau sigurante fuzibile
d) In anumite conditii ,la motoarele de curent alternativ este necesara protectia la tensiune minima , iar motoarele de curent cu excitatie serie trebuie protejate impotriva cresterii turatiei peste limitele admise la mersul in gol
e) Pe circuitul de alimentare a motorului sunt prevazute pornitoarele )contactoare , comutatoare automate stea-triunghi etc.)
Pornirea motoarelor asincrone cu rotorul in scurtcircuit se poate face direct sau prin mijloace de scadere a tensiunii aplicate infasurarii statorice a motoarelor (comutator stea-triunghi de regula automat , autotransformatoare )
 Daca alimentarea
consumatorului se realizeaza printr-un post de transformare propriu
,pornirea motoarelor se face direct , cu conditia ca Pn  0,2 Pt
 in care Pt este puterea nominala a
transformatorului
0,2 Pt
 in care Pt este puterea nominala a
transformatorului 
Motoarele de puteri mari , cu exceptia celor ce servesc instalatiile de incendiu , se prevad cu rotorul bobinat si pornire cu reostat rotoric , , la care conditiile de pornire sunt foarte favorabile (curenti scazuti)
In figura 28 este dat un exemplu de schema de distributie pentru un tablou secundar , la care sunt respectate conditiile de racordare expuse mai sus .Se observa ca pentru urmarirea functionarii motoarelor s-au montat lampi de semnalizare
La motoare importante de putere mare sau mijlocie este necesara masurarea curentului electric pe fiecare faza
In cadrul consumatorilor exista d e multe ori receptoare care , prin specificul lor , au importanta vitala in functionare , fiindu-le necesare conditii speciale de realizare a instalatiilor electrice , din punct de vedere al sigurantei in exploatare .Exemple de astfel de receptoare sunt
pompe de incendiu
ventilatie de avarie ,care asigura evacuarea unor gaze periculoase
instalatii pentru ascensoare
cortina de protectie impotriva stingerii incendiilor etc.
3 schema de distributie a tabloului general de forta
prin tablou general al unei instalatii electrice se intelege tabloul de distributie legat imediat dupa punctul de delimitare dintre furnizor si consumator
continutul schemei de distributie pentru tabloul general este determinat de marimea (ca putere ), complexitate si importanta consumatorului
racordarea consumatorului la reteaua furnizorului se poate face
 monofazat , daca I 30 A la Uretea  = 3x220/127 V (Uretea  = 3x208/120 V) sau daca I
30 A la Uretea  = 3x220/127 V (Uretea  = 3x208/120 V) sau daca I 20 A la U=3x380/220 V
20 A la U=3x380/220 V
trifazat ,peste limitele de mai sus
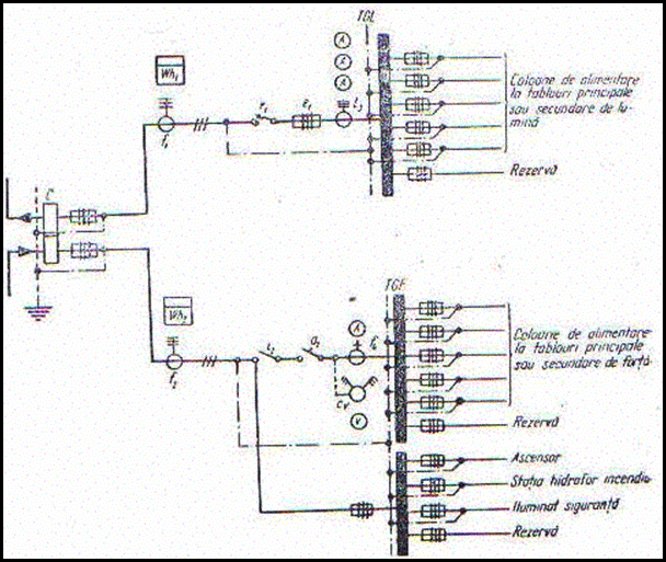
In figura 29 este prezentata o schema de distributie pentru un tablou general ,cuprinzand bransamente separate de lumina si forta , care ilustreaza principiile de alcatuire a unei scheme obisnuite

Figura 29
pe fiecare din bransamente este prevazuta masurarea energiei electrice prin contoarele Wh1,Wh2 , racordate prin transformatoarele de masura t1,t2 ,prevazute pe fiecare din faze
pentru masurarea tensiunii pe faze si intre faze s-a prevazut un voltmetru racordat printr-un comutator voltmetric cu sapte pozitii
la coloana de lumina s+a montat un intreruptor manual i1 pentru exploatare iar pentru asigurare e1
la coloana de forta s-a prevazut un intreruptor manual i2 pentru exploatare si un intreruptor automat de protectie a1
din tabloul general de lumina si din cele de forta se alimenteaza , prin coloane , tablourile principale sau secundare
	  
Acest document nu se poate descarca
	  
| E posibil sa te intereseze alte documente despre: | 
| Copyright © 2025 - Toate drepturile rezervate QReferat.com | Folositi documentele afisate ca sursa de inspiratie. Va recomandam sa nu copiati textul, ci sa compuneti propriul document pe baza informatiilor de pe site. { Home } { Contact } { Termeni si conditii } | 
| Documente similare: 
 | 
| ComentariiCaracterizari
 | 
| Cauta document |