| Administratie | Alimentatie | Arta cultura | Asistenta sociala | Astronomie |
| Biologie | Chimie | Comunicare | Constructii | Cosmetica |
| Desen | Diverse | Drept | Economie | Engleza |
| Filozofie | Fizica | Franceza | Geografie | Germana |
| Informatica | Istorie | Latina | Management | Marketing |
| Matematica | Mecanica | Medicina | Pedagogie | Psihologie |
| Romana | Stiinte politice | Transporturi | Turism |
PROIECTAREA SISTEMULUI INFORMATIC PRIVIND EVIDENTA FURNIZORIILOR SI A PRODUSELOR OFERITE DE ACESTIA
C U P R I N S
CAPITOLUL 1. Analiza și modelarea sistemului informațional existent
1.1. Prezentarea generala a organizației
1.2. Analiza structurii organizatorice
1.2.1. Prezentarea organigramei
1.2.2. Descrierea critica a organigramei
1.3. Analiza structurii funcționale
1.4. Analiza legislației
1.5. Analiza sistemului informatic
1.6. Analiza documentelor și a altor surse informaționale
1.6.1. Inventarul documentelor
1.6.2. Evaluarea documentelor
1.7. Flowchart-ul
1.8. Modelarea prelucrarilor
1.9. Modelarea datelor
1.10. Evaluarea critica a sistemului informațional
CAPITOLUL 2. Proiectarea sistemului informatic
2.1. Obiectivele proiectarii sistemului
2.2. Proiectarea ieșirilor
2.3. Proiectarea bazei de date
2.4. Proiectarea codurilor
2.5. Proiectarea intrarilor
2.6. Proiectarea interfeței cu utilizatorul
CAPITOLUL 3. Implementarea sistemului informatic
3.1. Prezentarea intefeței sistemului
3.2. Prezentarea ieșirilor
CAP.1 ANALIZA SI MODELAREA SISTEMULUI INFORMATIONAL EXISTENT
1.1PREZENTAREA GENERALA A ORGANIZATIEI
Real si-a deschis primul hipermarket in
Polonia inca din 1997, avand acum la nivel national un portofoliu de 49 de
hipermarketuri prin preluarea magazinelor operatorului francez Geant.
In
1998 a urmat deschiderea primului magazin in Turcia, unde alte 11
hipermarketuri au fost deschise in total. In vara lui 2005 a fost inaugurat
primul, din cele 11 actuale, hypermarket Real in Rusia, si incepand din
2006 a intrat si pe piata din Romania.
In total au aparut peste 100 de hipermarketuri ale acestei firme in afara Germaniei, si intr-un timp foarte scurt. Un proiect ambitios de expansiune la nivel international, indeosebi in Rusia si Romania, intareste si confirma orientarea catre crestere sustinuta a firmei Real care este hotarata sa-si continue dezvoltarea internationala si pe viitor.
Real Hypermarket Romania SRL a intrat pe piata de retail din Romania in martie 2006, cand a fost deschis primul magazin in Timisoara. Au urmat alte 23 hipermarketuri, deschise in centre economice importante ale tarii, astfel incat reteaua numara la momentul actual 24 hipermarketuri.
Real Hypermarket se afla in stransa legatura cu tara in care functioneaza. Real reprezinta un utilizator pe scara larga a ofertei locale de produse si creeaza intre de 300 - 350 de locuri de munca in fiecare magazin. 80% din produsele oferite spre vanzare sunt asigurate de la producatorii nationali.
Magazinele Real sunt
amplasate fie de sine statator fie in parcuri de retail.
Zona de Galerie pozitionata in fata hipermarketului Real ofera clientilor o serie de
alternative la cumparaturi, suplimentand in acest mod propriul nostru
portofoliu de produse. Acesta este de altfel motivul pentru care
hipermarketurile Real prezinta o atractivitate unica.
Galeria comerciala eleganta, ambientul placut, existenta spatiilor largi de parcare, diversele servicii oferite clientilor fac din Real hypermarket un centru comercial de succes.
In cadrul Metro Group, Real reprezinta conceptul de succes al hipermarketului cu autoservire intr-un spatiu mare de vanzare cu amanuntul.
Firma are o conceptie de marketing bazata pe comert, considerand ca potentialii clienti doresc produse de calitate si cele mai bune preturi, dorind pe termen lung, fidelizarea clientelei, extinderea in marile orase ale tarii si acapararea unei cote de piata cat mai mari.
Pornind de la conceptia de marketing se pleaca de la piata, iar concentrarile vor fi nevoile consumatorilor, mijlocul fiind intreaga activitate de marketing , scopul fiind maximizarea profitului si in acelasi timp, satisfacerea consumatorilor.
Hypermarketul real asupra caruia realizam aceat proiect are seduil in Timisoara pe Calea Aradului nr.1 , fiind primul Real deschis in Timisoara in data de 16 martie 2006.
In cazul in care hypermarket-ul din Timisoara se dovedeste a fi un succes, se doreste realizarea unui alt obiectiv,anume extinderea lantului in mai multe orase din tara: Bucuresti, Constanta, Cluj, Brasov.
Deci ,obiectivul fundamental il reprezinta satisfacerea clientilor, atat privind produsele puse in vanzare, cat si serviciile oferite de angajati.
Axandu-se pe strategia de dezvoltare, se doreste fidelizarea clientilor, atat datorita calitatii produselor si serviciilor, cat si prin programe promotionale.
Firma isi va concentra atentia asupra unei publicitati permanente, in conditiile in care economia romaneasca se afla intr-o stare de incertitudine.
1.2 ANALIZA STRUCTURII ORGANIZATORICE
PREZENTAREA ORGANIGRAMEI
1.2.2 DESCRIEREA CRITICA A ORGANIGRAMEI
Organigrama prezentata poarta denumirea de structura ierahic-liniara si este primul tip de structura utilizata care isi are originea din sistemul de conducere din armata. In cadrul ei se respecta cu strictete principiul unitatii de conducere ( comanda), in sensul ca fiecare persoana este subordonata unui singue sef.
Avantaje:
-autoritatea si responsabilitatea sunt bine definite;
-conducerea se poate realize operativ prin dispozitii verbale;
-permite corelarea dispozitiilor privind diverse domain de activitate ale firmei;
-asigura o formare multilateral a managerilor;
Dezavantaje:
-concentrarea tuturor problemelor ce privesc diverse domenii de activitate in mana unei singure personae conduce la luarea unei decizii mai putin fundamentale in anumite domenii deoarece oricat de bine pregatita ar fi un manager nu poate avea o competenta multilateral;
-lipsesc legaturile intre executanti, majoritatea legaturilor fiind intre sefi si subordonati.
1.3. Analiza structurii func ionale

Diagram cuprinde principali actori implicati: aprovizionare, magazie, contabilitate, furnizor, departament sef raion ,departament dispo, bayer.
Aprovizionarea este una din activitatile componente ale functiei comerciale prin intermediul careia intreprinderea intra in relatii economice cu alte societati comerciale.
APROVIZIONARE-MAGAZIE
Reprezinta operatia de identificare si verificare cantitativa si calitativa a marfurilor, a materiilor prime si materialelor ce se primesc in aceasta.
Receptia are drept obiectiv verificarea mai multor aspecte privind calitatea, cantitatea, indeplinirea intocmai a contractului care reglementeaza relatiile dintre furnizor si beneficiar si intre acestia si intreprinderea de transport.
Operatia de receptie asigura cantitativ si mai ales calitativ existenta in intreprinderea comerciala, de alimentatie publica a tuturor valorilor necesare pentru buna desfasurare a activitatilor complexe care se desfasoara aici.
APROVIZIONARE-CONTABILITATE
In contabilitate dupa verificarea calitativa si cantitativa a produselor primate de la furnizor, este primita factura care este trecuta in registrul de scadenta.
Daca se constata diferente de marfuri, se trimite spre contabilitate nota de intare receptie si constatare de diferente, pentru inregistrarea in contabilitatea sintetica si analitica. Aceasta se arhiveaza la compartimentul financiar-contabil.
Pe baza acestui centralizator se intocmeste nota contabila 1. pentru intrari marfuri in gestiune.
APROVIZIONARE- FURNIZOR
Pentru a putea fi inregistrat in registru receptive marfa, trebuie sa aiba asupra lui urmatoarele documente: avizul de insotire, anexa la aviz, documente suplimentare de insotire a marfi care confirma calitatea siguranta si provenienta marfii ( ex. Certificate de conformitate, certificate de calitate, adeverinte anezate la declaratia vamala a marfii, adeverinte la scrisoarea de trasura, certificate veterinare, certificate de garantie).
APROVIZIONARE- DEPARTAMENT SEF RAION
Seful de raion are sarcina de a urmari evidenta stocurilor, la produsele pe care le are in subordinea sa, pentru a constata necesarul de aprovizionare pe care in cele din urma il tranzmite la departamentul disop pentru efectuarea comenzi propriu-zise.
APROVIZIONARE- DEPARTAMENT DISPO
In cadrul acestiu departament, necesarul de aprovizionare realizat de seful de raion, este verificat si aprobat, pe baza caruia se intocmeste comanda de aprovizionare.
APROVIZIONARE- BAYER
Acestia primesc comanda intocmita de departamentul dispo, in cadrul magazinului Real, urmand sa o trimita aceasta comanda furnizorilor, acestia urmand sa transporte marfa.
1.4. Analiza legisla iei
Toate activitatile au la baza o serie de acte normativa iar activitatea analizata in prezenta lucrare nu face exceptie. Principalele acte normative pe care se bazeaza activitatea societatilor
Legea 31/1990-Legea societatilor comercial
Legea nr. 22/18/11/69 -privind angajarea gestionarilor, constituirea de garantii si raspunderea in legatura cu gestionarea bunurilor organizatiilor socialiste
OMF 425/98
Legea contabilitatii nr82/1991
HG 831/19/12/1997
OR 2388/95
HG 2139/04
HG1553/2003
HG 941/90
1.5. Analiza sistemului informatic
1.5.1 Configuratia spatilor de lucru
|
Diviziunea Organizatorica |
Statia lucru |
Conectare retea |
Internet |
Configurație calculator |
Sistem operare |
Antivirus |
Program contabilitate |
Alte aplicații |
|
Director |
|
DA |
DA |
Intel Pentium 4 CPU, 1.59 GHz, 1 GB RAM, HDD 150 GB |
Windows XP Professional vs. Service pack 2 |
Avast |
|
MS Office 2007 |
|
Asistent |
|
DA |
DA |
Intel Pentium 4 CPU, 1.59 GHz, 1 GB RAM, HDD 150 GB |
Windows XP Professional vs. Service pack 2 |
Avast |
|
MS Office 2007 |
|
Dep. Financiar contabil |
|
DA |
DA |
Intel Pentium 4 CPU, 1.59 GHz, 512 MB,RAM, HDD 100 GB |
Windows XP Professional vs. Service pack 2 |
Nod 32 |
SAP |
MS Office 2007 |
|
|
|
DA |
DA |
Intel Pentium 4 CPU, 1.59 GHz, 512 MB,RAM, HDD 100 GB |
Windows XP Professional vs. Service pack 2 |
Nod 32 |
SAP |
MS Office 2007 |
|
|
|
DA |
DA |
Intel Pentium 4 CPU, 1.59 GHz, 512 MB,RAM, HDD 100 GB |
Windows XP Professional vs. Service pack 2 |
Nod 32 |
SAP |
MS Office 2007 |
|
|
|
DA |
DA |
Intel Pentium 4 CPU, 1.59 GHz, 512 MB,RAM, HDD 100 GB |
Windows XP Professional vs. Service pack 2 |
Nod 32 |
SAP |
MS Office 2007 |
|
|
|
DA |
DA |
Intel Pentium 4 CPU, 1.59 GHz, 512 MB,RAM, HDD 100 GB |
Windows XP Professional vs. Service pack 2 |
Nod 32 |
SAP |
MS Office 2007 |
|
Receptie |
|
DA |
|
Intel Pentium 4 CPU, 1.59 GHz, 512 MB RAM, HDD 100 GB |
Windows XP Professional vs. |
Avast |
|
MMS WL |
|
|
|
DA |
|
Intel Pentium 4 CPU, 1.59 GHz, 512 MB RAM, HDD 100 GB |
Windows XP Professional vs. |
Avast |
|
MMS WL |
|
|
|
DA |
|
Intel Pentium 4 CPU, 1.59 GHz, 512 MB RAM, HDD 100 GB |
Windows XP Professional vs. |
Avast |
|
MMS WL |
|
|
|
DA |
|
Intel Pentium 4 CPU, 1.59 GHz, 512 MB RAM, HDD 100 GB |
Windows XP Professional vs. |
Avast |
|
MMS WL |
|
Department IT. |
|
Server |
DA |
Intel Pentium 4, 2.2 Ghz, 2 GB RAM, HDD 500 GB |
Windows 2003 Server |
Bit Defender |
|
MS Office 2007 Visual FoxPro |
|
|
|
DA |
DA |
Intel Pentium 4 CPU, 1.59 GHz, 1 GB RAM, HDD 150 GB |
Windows XP Professional Service pack 2 |
Bit Defender |
|
MS Office 2007 Visual FoxPro |
|
|
|
DA |
DA |
Intel Pentium 4 CPU, 1.59 GHz, 1 GB RAM, HDD 150 GB |
Windows XP Professional Service pack 2 |
Bit Defender |
|
MS Office 2007 Visual FoxPro |
|
Sef. raion |
|
DA |
DA |
Intel Pentium 4 CPU, 1.59 GHz, 512 MB RAM, HDD 100 GB |
Windows XP Professional vs. |
|
|
|
|
|
|
DA |
DA |
Intel Pentium 4 CPU, 1.59 GHz, 512 MB RAM, HDD 100 GB |
Windows XP Professional vs. |
|
|
|
|
|
|
DA |
DA |
Intel Pentium 4 CPU, 1.59 GHz, 512 MB RAM, HDD 100 GB |
Windows XP Professional vs. |
|
|
|
|
|
|
DA |
DA |
Intel Pentium 4 CPU, 1.59 GHz, 512 MB RAM, HDD 100 GB |
Windows XP Professional vs. |
|
|
|
|
|
|
DA |
DA |
Intel Pentium 4 CPU, 1.59 GHz, 512 MB RAM, HDD 100 GB |
Windows XP Professional vs. |
|
|
|
|
Resurse umane |
|
DA |
DA |
Intel Pentium 4 CPU, 1.59 GHz, 1 GB RAM, HDD 150 GB |
Windows XP Professional vs. |
Avast |
|
MS Office 2007 |
|
|
|
DA |
DA |
Intel Pentium 4 CPU, 1.59 GHz, 1 GB RAM, HDD 150 GB |
Windows XP Professional vs. |
Avast |
|
MS Office 2007 |
|
Dispo |
|
DA |
DA |
Intel Pentium 4 CPU, 1.59 GHz, 512 MB RAM, HDD 100 GB |
Windows XP Professional vs. 2002 Windows XP Professional vs. |
Avast |
|
MS Office 2007 |
|
|
|
DA |
DA |
Intel Pentium 4 CPU, 1.59 GHz, 512 MB RAM, HDD 100 GB |
Windows XP Professional vs. |
Avast |
|
MS Office 2007 |
|
|
|
DA |
DA |
Intel Pentium 4 CPU, 1.59 GHz, 512 MB RAM, HDD 100 GB |
Windows XP Professional vs. |
Avast |
|
MS Office 2007 |
|
|
|
DA |
DA |
Intel Pentium 4 CPU, 1.59 GHz, 512 MB RAM, HDD 100 GB |
Windows XP Professional vs. |
Avast |
|
MS Office 2007 |
|
|
|
DA |
DA |
Intel Pentium 4 CPU, 1.59 GHz, 512 MB RAM, HDD 100 GB |
Windows XP Professional vs. |
Avast |
|
MS Office 2007 |
|
Service client |
|
NU |
DA |
Intel Pentium 4 CPU, 1.59 GHz, 512 MB RAM, HDD 100 GB |
XP Professional vs. |
|
|
|
|
info |
|
NU |
DA |
Intel Pentium 4 CPU, 1.59 GHz, 512 MB RAM, HDD 100 GB |
XP Professional vs. |
|
|
|
1.5.2 Arhitectura retelei
1.6. Analiza documentelor i a altor surse informa ionale
1.6.1. Inventarul documentelor
|
Nr. crt. |
Simbol document |
Denumire document |
Cod clasificare |
Format |
Nr. de exemplare |
Intrare (I) / Iesire (E) |
Observatii |
|
|
FCA |
Factura de achizitie |
14-4-10A |
A4 |
|
I |
Se primeste de la furnizor |
|
|
AV |
Aviz de insotire |
14-3-6A |
A4 |
|
I |
Se primeste de la furnizor |
|
|
NRCD |
Nota de receptie |
14-3-1A |
A4 |
|
I / E |
Se completeaza la depozit |
|
|
FM |
Fisa de magazie |
|
A4 |
|
I/E |
Se completeaza la magazie |
|
|
BPTR |
Bon predare, transfer, restituire |
14-3-3A |
A5 |
|
I/E |
|
|
|
NA |
Necesar de aprovizionare |
|
A4 |
|
I |
|
|
|
OPL |
Comanda de aprovizionare |
|
A4 |
|
I |
|
1.6.2. Evaluarea documentelor
1.7. Flowchart-ul

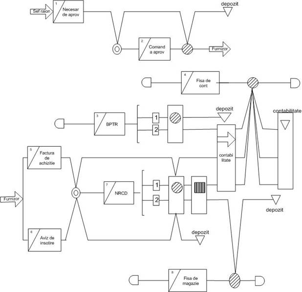
In cadrul departamentului dispo, pe baza necesarului de aprovizionare se intocmeste conamda de aprovizionare care este tranzmisa furnizorilor.
Pe baza comenzii de aprovizionare, furnizorul efectueaza livrarea marfurilor, si tranzmite depozitului marfurile impreuna cu factura de achizitie (de vanzare a furnizorului) impreuna cu avizul de insotire al marfii, ambele fiind intr-un exemplar.
La depozit, se realizeaza receptia marfurilor, iar pe baza facturii si avizului de insotire se intocmeste nota de raceptie si constatare de diferente in doua exemplare. Un exemplar din nota de receptie si constatare de diferente, impreuna cu factura de achizitie, se trimit catre contabilitate (unde se opereaza intrarea marfurilor in fisa contului 371) unde se arhiveaza.
Cel de-al doilea exemplar din nota de receptie si constatare de diferenta, opereaza in fisa de magazie dupa care impreuna cu avizul de insotire se arhiveaza la depozit.
in cazul transferului de marfuri de la o magazie la alta, se foloseste bonul de pradare transfer si restituire, care se intocmeste in doua exemplare. Primul exemplar se completeaza si apoi se arhiveaza la compartimentul financiar contabil, iar cel de-al doilea exemplar, dupa completare se arhiveaza la magazie.
1.8. Modelarea prelucrarilor
Continutul DFD
|
ELEMENT DFD |
TIP ELEMENT |
|
Furnizori |
ENTITATI EXTERNE |
|
Contabilitate |
|
|
Dep. Dispo |
|
|
Magazie externa |
|
|
|
|
|
Factura de achizitie |
FLUXURI DE DATE |
|
Aviz de insotire |
|
|
Nota de receptie |
|
|
Necesar comanda |
|
|
Comanda aprovizionari |
|
|
Bon de transfer |
|
|
|
|
|
Fisa de magazie |
LOCURI DE STOCARE |
|
|
|
|
Vanzare |
PRELUCRARI |
|
Aprovizionare |
|
|
Transfer |
Diagrama fluxului de date

1.9. Modelarea datelor
|
Nr. Crt. |
Simbol |
Denumire |
Atribut(e) determinat(e) |
|
|
FR |
Furnizor |
Cod fiscal |
|
|
FACT |
Facture aprovizionare |
Numar factra, seria factura |
|
|
NRCD |
Nota intrare receptie |
Nr NRCD |
|
|
NC |
Necesat comanda |
Nr nec comanda |
|
|
CA |
Comanda de aprovizionare |
Nr omanda |
|
|
PROD |
Produse |
Cod produs |
|
Nr. CRT |
Denumire atribut |
Tip (lungime) |
ENTITATI |
||||||||||||
|
FRZ |
FACT |
NRCD |
NC |
CA |
PROD | |
CUI |
X(10) |
|
|
|
|
|
| |
|
|
Denumire fur |
X(30) |
|
|
|
|
|
| |||||||
|
|
Sediul fur |
X(30) |
|
|
|
|
|
| |||||||
|
|
Tel /fax |
D |
|
|
|
|
|
| |||||||
|
|
IBAN |
X(24) |
|
|
|
|
|
| |||||||
|
|
Banca |
X(20) |
|
|
|
|
|
| |||||||
|
|
Seria fact |
X(5) |
|
|
|
|
|
| |||||||
|
|
Nr fact |
|
|
|
|
|
|
| |||||||
|
|
Data |
D |
|
|
|
|
|
| |||||||
|
|
UM |
X(5) |
|
|
|
|
|
| |||||||
|
|
Pret |
|
|
|
|
|
|
| |||||||
|
|
|
|
|
|
|
|
|
| |||||||
|
|
|
|
|
|
|
|
|
| |||||||
|
|
Cantitate |
|
|
|
|
|
|
| |||||||
|
|
Valoare |
|
|
|
|
|
|
| |||||||
|
|
Nr NRCD |
|
|
|
|
|
|
| |||||||
|
|
Den produs |
X(30) |
|
|
|
|
|
| |||||||
|
|
Cod prod |
|
|
|
|
|
|
| |||||||
|
|
Nr nec comanda |
|
|
|
|
|
|
| |||||||
|
|
Magazia |
X(10) |
|
|
|
|
|
| |||||||
|
|
SID |
|
|
|
|
|
|
| |||||||
|
|
Nr comanda |
|
|
|
|
|
|
| |||||||
1.10. Evaluarea critica a sistemului informa ional
CAPITOLUL 2. Proiectarea sistemului informatic
2.1. Obiectivele proiectarii
Prin realizarea acestui proiect se doreste sa se atinga mai multe obiective principale, cat si
mai multe subobiective. Prin intermediul acestora se doreste realizarea unui sistem cat mai
eficient, din punct de vedere al transmiterii de informatii, intr-un timp cat mai scurt si cu o
precizie cat mai mare, si care sa asigure o baza credibila in luarea deciziilor.
Astfel printre asertiunile de baza se enumera:
obiective de conducere. Aceste obiective pot fi detaliate in subobiective, si anume:
asigurarea bunei functionari a utilitatilor puse la dispozitia studentilor;
asigurarea ordinii si disciplinei in camin;
optimizarea activitatii de precazare si cazare a studentilor
obiective informationale. Aceste obiective pot fi detaliate in subobiective, si anume:
asigurarea unor informatii pertinente, ca baza credibila in luarea deciziilor;
furnizarea rapida de informatii privitoare la situatia studentilor cu privire la taxa
de camin
realizarea unui sistem capabil sa prelucreze informatiile in-put in forma dorita si
specifica domeniului de activitate studiat;
reducerea timpului de lucru, si implicit al celui de raspuns;
asigurarea prelucrarii automate a datelor, in defavoarea prelucrarii lor manuale.
obiective tehnologice. Aceste obiective pot fi detaliate si ele la randul lor, in
subobiective, si anume:
asigurarea unui control eficient asupra intrarilor si iesirilor in/din sistem;
asigurarea unei prelucrari eficiente si eficace a datelor.
obiective informatice. Aceste obiective pot fi detaliate in subobiective, si anume:
asigurarea utilizarii unei tehnici de calcul eficiente, in corespondenta cu cererile
de iesire;
asigurarea securitatii datelor;
obtinerea evidentei studentilor in mod informatizat, mai eficient si mai rapid.
Pentru ca obiectivele urmarite sa fie indeplinite, este necesar ca definirea in sistem a
prelucrarii datelor de intrare sa aiba ca efect iesirea informatiilor necesare.
2.2. Proiectarea ieșirilor
Iesirile sistemului reprezinta scopul pentru care se face proiectarea sistemului. Pe langa iesirile care apar in toate unitatile, mai exista si iesiri care sunt specifice fiecarei unitati si care depind de o multitudine de factori, fiind necesare in procesul decizional.
In continuare vor fi prezentate situatiile de iesire specifice activitatii analizate
|
|
Unitatea |
X(30) |
|
FISA DE MAGAZIE |
Pagina |
|
|
|
|
|
|
|
|
|
|
|
|
|
|
|
|
|
|
|
|
|
Magazia |
Produs/sort/calit/marca/dim |
U/M |
PU |
|
|
||
|
x(30) |
x(30) |
|
|
x(5) |
|
|
|
|
|
|
|
|
|
|
|
|
|
|
document |
intrari |
iesiri |
stoc |
data si semnatura |
||
|
data |
numar |
fel |
|
|
|
|
|
|
D |
|
|
|
|
|
D |
|
|
|
|
|
|
|
|
|
|
- activitatea: evidenta de dpozitare a intrarilor,iesirilor si stocurilor bunurilor.
- subactitivitatea: contabilitatea analitica in cadrul metodei operativ contabil(pe solduri)
- frecventa: zilnica
- numar de exemplare: 1
- destinatia: magazie
-se arhiveaza: magazie
|
Unitatea |
X(30) |
|
|
Nota de intrare receptie nr. |
|
|
|
|
|
|
|
|
|||||
|
|
|
|
|
|
|
|
|
|
|
|
|
|
|
|
|
|
|
|
|
|
|
|
|
Data |
D |
|
|
|
|
|
|
|
||||
|
|
|
|
|
|
|
|
|
||||||||||
|
|
|
|
|
|
|
|
|
|
|
|
|||||||
|
|
|
|
|
|
|
|
|
|
|
|
|
|
|
|
|
|
|
|
Nr. Crt. |
Denumire produs |
U/M |
Cant. |
Furnizor |
Adaos comerc. |
Pret |
TVA |
Pret |
Valoare |
Valoare |
din care TVA |
||||||
|
Pret |
Valoare (fara TVA) |
TVA |
Total fact. |
|
|
unit.cu |
aferent |
unit.cu |
la pret cu |
la pret cu |
Pe U/M |
Total 4428 |
|||||
|
unit.fara |
Pe |
Total |
|
Suma |
amanuntul |
adaos |
amanuntul |
amanuntul |
amanuntul |
||||||||
|
TVA |
U/M |
|
|
|
fara TVA |
comercial |
cu TVA |
fara TVA |
cu TVA |
||||||||
|
|
X(30) |
X(5) |
|
|
|
|
|
|
|
|
|
|
|
|
|
|
|
|
|
|
|
|
|
|
|
|
|
|
|
|
|
|
|
|
|
|
|
|
|
|
|
|
|
|
|
|
|
|
|
|
|
|
|
|
|
|
|
Total general |
|
|
|
|
|
|
|
|
|
|
|
|
|
|
|
|
|
|
|
|
|
|
|
|
|
|
|
|
|
|
|
|
|
|
|
|
|
|
Nume si prenume |
X(30) |
|
|
|
|
|
|
|
|
|
|
|
|
|
|
|
|
|
Data |
D |
|
|
|
|
|
|
|
|
|
|
|
|
|
|
|
|
|
Semnatura |
|
|
|
|
|
|
|
|
|
|
|
|
|
|
|
- activitatea: receptia bunurilor aprovizionate, incarcare in gestiune.
- frecventa: zilnica
- numar de exemplare: 2
- destinatia: magazie, contabilitate
-se arhiveaza: 1 la magazie, 2 la contabilitate
2.3. Proiectarea bazei de date

CREATE TABLE FURNIZORI (
CUI TEXT(10) PRIMARY KEY,
den_fur TEXT(30) ,
sediul TEXT(30),
tel_fax TEXT(10),
IBAN TEXT(24),
Banca TEXT(20));

CREATE TABLE FACTURI (
serie_fact TEXT(5) PRIMARY KEY,
nr_fact SINGLE PRIMARY KEY,
CUI TEXT(30) ,
data datetime ,
den_prod TEXT(20),
UM TEXT(4),
cant_prod SINGLE,
val SINGLE );

CREATE TABLE NRCD (
nr_NRCD SINGLE PRIMARY KEY,
nr_fact SINGLE,
serie_fact TEXT(5),
den_prod TEXT(20),
cod_prod SINGLE,
data DateTime,
cant SINGLE,
UM TEXT(5),
pret_um SINGLE,
val SINGLE );

CREATE TABLE necesar_aprov (
nr_nec SINGLE PRIMARY KEY,
dep TEXT(10),
cod_prod SINGLE,
den_prod TEXT(20),
cant SINGLE );

CREATE TABLE comanda_aprov (
nr_com SINGLE PRIMARY KEY,
SID SINGLE,
dep TEXT(10),
nr_nec SINGLE,
den_fur TEXT(30),
sediul TEXT(30),
den_prod TEXT(20),
cant SINGLE,
val SINGLE );

CREATE TABLE PRODUSE (
cod_prod SINGLE PRIMARY KEY,
den_prod TEXT(20),
UM TEXT(4) );

Acest document nu se poate descarca
| E posibil sa te intereseze alte documente despre:
|
| Copyright © 2025 - Toate drepturile rezervate QReferat.com | Folositi documentele afisate ca sursa de inspiratie. Va recomandam sa nu copiati textul, ci sa compuneti propriul document pe baza informatiilor de pe site. { Home } { Contact } { Termeni si conditii } |
Documente similare:
|
ComentariiCaracterizari
|
Cauta document |