| Administratie | Alimentatie | Arta cultura | Asistenta sociala | Astronomie |
| Biologie | Chimie | Comunicare | Constructii | Cosmetica |
| Desen | Diverse | Drept | Economie | Engleza |
| Filozofie | Fizica | Franceza | Geografie | Germana |
| Informatica | Istorie | Latina | Management | Marketing |
| Matematica | Mecanica | Medicina | Pedagogie | Psihologie |
| Romana | Stiinte politice | Transporturi | Turism |
Ingineria si Tehnologia Fabricatiei Hartiei
CUPRINSUL
Pagina
CAPITOLUL I Tema
CAPITOLUL II Memoriul tehnic
CAPITOLUL III Tehnologia fabricatiei
Proprietatile produsului si domenii de utilizare
Variante tehnologice
Alegerea variantei optime
Descrierea procesului tehnologic
3.4.1 Caracteristicile materiilor prime, intermediare si auxiliare
3.4.2. Consideratii teoretice asupra proceselor din schema adoptata
3.4.3 Bilantul de materiale pe atelierul de preparare a pastei de hartie
3.4.4. Consumuri specifice
CAPITOLUL IV Proiectarea utilajelor
CAPITOLUL V Controlul, reglarea si automatizarea procesului tehnologic
CAPITOLUL VI Utilitati
CAPITOLUL VII Studiul de fezabilitate
CAPITOLUL VIII Masuri de protectia muncii si PSI
CAPITOLUL I
TEMA
O fabrica de hartie pentru stratul neted al
cartonului ondulat cu capacitatea de productie de 90000 t/an.
Atelierul de preparare a pastei de hartie.
CAPITOLUL II
Memoriu tehnic
Fabricarea hartiei se bazeaza in general pe trei operatii principale:
- obtinerea celulozei din lemn ;
- prepararea pastei de hartie ;
- fabricarea hartiei .
Are drept scop proiectarea unei instalatii de preparare a pastei de hartie capac cu o capacitate de 90000 t an.
Proiectarea atelierului de preparare a pastei se face in doua etape :
- stabilirea tehnologiei de fabricatie ;
- calculul utilajelor de baza si auxiliare.
La baza intregului calcul sta bilantul de materiale.
Pasta preparata in cadrul acestei sectii are toate caracteristicile necesare fabricarii hartiei strat neted.
La prepararea pastei s-a folosit : celuloza sulfat din rasinoase in proportie de 80% si maculatura in proportie de 20 %.
Linia de preparare a pastei din celuloza din rasinoase cuprinde :
- hidrapulper ;
- rezervor de stocare si omogenizare a pastei;
- enstiper;
- rafinoare Conflo.
Pasta din celuloza din rasinoase este trimisa la centrala de dozare.Se foloseste un program de reglare automata.
Pasta de maculatura preparata intr-o alta sectie este adusa intr-un rezervor care are rolul de a realiza o buna umflare a fibrelor respectiv de a omogeniza pasta.De aici este trimisa cu ajutorul unei pompe in centrala de dozare si de aici in rezervorul de amestecare.
Bracul uscat impreuna cu apa se introduc intr-un hidrapulper unde are loc destramarea.Apoi pasta este trimisa intr-un rezervor, de aici este trecuta cu ajutorul unei pompe printr-un enstiper si mai departe este adusa intr-un rezervor de stocare unde se amesteca cu bracul umed rezultat de la presel umede, care in prealabil a fost ingrosat pe un ingrosator .
In centrala de dozare se introduc celuloza din rasinoase,pasta din maculatura , bracul, clei de colofoniu si sulfat de aluminiu. Pasta rezultata in urma omogenizarii ajunge in rezervorul masinii si de aici este trimisa intr-un rafinor care are rolul de a regla si uniformiza gradul de macinare.
Pasta trece apoi la sortare si epurare
Epurarea se realizeaza in doua faze :
- prima faza cu trei trepte de centriclinere ;
- a doua faza cu un selectifiner.
In prealabil se realizeaza dilutia cu ape grase. Acceptul de la selectifiner este trimis la cutia de lansare a masinii de fabricat hartie, iar refuzul se prelucreaza pe un sortizor Jonson.
S-a intocmit bilantul de materiale pe intreaga masina de fabricat hartie. S-a determinat astfel necesarul de materii prime si auxiliare si cantitatea de ape grase rezultate in proces.
S-a acordat o mare atentie procesului de control , reglare si automatizare care sa asigure continuitatea procesului, siguranta ei in exploatare si proprietatile produsului finit.
Procesul tehnologic este descris in subcapitolele :
- proprietatile produsului si domenii de utilizare ;
- caracteristicile materiilor prime, intermediare si auxiliare;
- consideratii teoretice asupra proceselor din schema adoptata;
- bilantul de materiale;
- diagrama Sankey pentru bilantul de materiale ;
- proiectarea utilajelor;
- reglarea si automatizarea procesului tehnologic adoptat;
- utilitati.
I s-a efectuat si studiul de fezabilitate, s-a avut in vedere si posibilitatile de valorificare, reciclare, produse secundare precum si masuri de protectie a muncii si P.S.I.
CAPITOLUL III
TEHNOLOGIA FABRICATIEI
Proprietatile produsului si domenii de utilizare
Hartia strat neted, denumita obisnuit hartie capac este cel de-al doilea component major al cartonului ondulat care ii defineste structura prin pozitionarea sa atat la cele doua fete cat si intermediara straturilor de hartie ondulata si prin formarea, impreuna cu acestea, a liniilor de lipire rigide.
Hartia strat neted trebuie sa confere proprietati de rezistenta cartonului ondulat si sa permita imprimarea,cerinte care impun caracteristicile acestui sort.
Primul rol, acela de a asigura soliditate cartonului este indeplinit prin intermediul valorilor rezistentei la plesnire si rezistentei la strivire pe inel. Rezistenta la plesnire ridicata asigura protectia continutului in timp ce a doua caracteristica influenteaza rezistenta la compresiune a cutiilor .Indeosebi rezistenta la plesnire este importanta pentru producatorii de carton ondulat, pentru ca rezistentele la plesnire si la perforare dinamica ale cartonului ondulat sunt in functie de rezistentele la plesnire ale hartiilor componente.
A doua cerinta, aceea de a permite imprimarea reclama hartiei capac urmatoarele caracteristici : incleiere, absorbtie a apei, netezime, rezistenta la smulgere, porozitate, planeitate.
In afara de aceste cerinte, hartia capac trebuie sa satisfaca si alte solicitari cum ar fi culoarea, coeficientul de frecare, rezistenta la abraziune, rezistenta la biguire si pliere .Uneori hartia capac se analizeaza si in privinta pH-ului extractului apos sau pH-ului la suprafata, continutului de sulf reducator, proprietatilor microbiologice.
Hartia kraftliner este fabricata din cel putin 80 % celuloza sulfat si in consecinta se remarca prin rezistente ridicate la plesnire si la strivire pe inel si printr-o imprimabilitate superioara fiind preferata de producatorii de carton ondulat.
Hartia strat neted se fabrica intr-o gama extrem de larga de gramaje de la 90 g/m2 pana la 400 g/m2.Cresterea masei imbunatateste caracteristicile de rezistenta. Cele mai semnificative imbunatatiri ale proprietatilor de rezistenta se obtin daca masa hartiei se mareste in domeniul 100-200 g/m2.
Hartia capac kraftliner are o comportare foarte buna la biguire si pliere. Unicul neajuns al acestui sortiment este pretul ridicat.
Macinarea este operatia cu cele mai mari consecinte asupra proprietatilor hartiei capac si este cunoscut faptul ca prin macinare pana la un anumit nivel caracteristicile de rezistenta se imbunatatesc .Celuloza sulfat se macina pana la nivelul la care se dezvolta suficient legaturile interfibrilare cu scopul obtinerii nivelului dorit al caracteristicilor de rezistenta.
Alte caracteristici ale hartiei strat neted sunt prezentate in tabelul 3.1
Tab 3.1 Caracteristici ale hartiei strat neted
|
Caracteristici |
Unitate de masura |
STAS |
Valoare |
|
Gramajul |
g/m2 |
ISO 536 |
|
|
Grosimea |
|
ISO 534 |
|
|
Umiditate |
|
Online |
|
|
Rezistenta la plesnire |
KPa |
ISO 2758 |
|
|
Rezistenta la tractiune pe directia masinii |
KN/m |
SCAN-P67 |
|
|
Rezistenta la tractiune pe directie transversala |
KN/m |
SCAN-P67 |
|
|
Cobb |
g/m2 |
ISO 535 |
|
|
Rezistenta la trecerea aerului |
sec |
ISO 5636-5 |
|
|
Rezistenta la smulgere |
Dennison |
T 459 |
|
|
Rugozitate |
ml/min |
ISO 8791-2 |
|
|
Coeficient de frecare |
Coef. |
ISO 15359 |
|
|
Rezistenta interna de legare a hartiei |
J/m2 |
T 569 |
|
Variante tehnologice
La alegerea schemei tehnologice pentru sectia de preparare a pastei trebuie sa tinem seama de un numar mare de factori si anume: sortul de hartie ce trebuie fabricat, natura si ponderea semifabricatelor fibroase din pasta de hartie, gradul si caracterul macinarii, proprietatile materialelor auxiliare.
Tinand cont in principal de sortul de hartie- hartie strat neted- si de capacitatea de productie, s-au conceput 2 variante de scheme tehnologice de preparare a pastei de hartie.Ambele scheme tehnologice cuprind aceleasi faze tehnologice principale :
- destramarea si individualizarea materialului fibros ;
- macinarea semifabricatelor fibroase ;
- dozarea ;
- omogenizarea ;
- epurarea si sortarea pastei .
Figura 3.1. Varianta 1 prepararii pastei de hartie pentru hartia strat neted

In cadrul primei variante prezentate, celuloza sulfat din rasinoase este destramata intr-un hidrapulper cu functionare discontinua, dupa care pasta de celuloza este golita intr-un rezervor.De aici este luata cu ajutorul unei pompe si adusa intr-un enstiper in care are loc definitivarea destramarii, individualizarea materialului fibros si apoi este trecuta la garnitura de macinare.Aceasta este formata din mori conice tip hidrafiner urmate de mori conice tip Jordan.Pasta astfel obtinuta este trecuta la centrala de dozare.Pasta de maculatura se foloseste optional si este adusa intr-un rezervor si de aici este trecuta cu ajutorul unei pompe in centrala de dozare. In centrala de dozare are loc dozarea componentilor pastei de hartie, care cuprinde pe langa celuloza de rasinoase, pasta de maculatura si o serie de materiale auxiliare cum sunt clei de colofoniu si sulfat de aluminiu. Bracul uscat este destramat intr-un hidrapulper si apoi este golit intr-un rezervor.De aici este trimis intr-un enstiper, apoi intr-un rezervor unde este adus si bracul umed, iar de aici pasta obtinuta este trecuta cu ajutorul unei pompe la centrala de dozare.
Din centrala de dozare pasta trece intr-un rezervor de amestec si apoi este pompata intr-o moara conica care are rolul de a corecta macinarea, iar apoi la epurare.Pasta va fi epurata la inceput intr-o treapta de centriclinere. Acceptul va fi trecut printr-un dezaerator si apoi va fi epurat in continuare in selectifiner si de aici acceptul va fi pompat la cutia de lansare.
Figura 3.2. Varianta 2 prepararii pastei de hartie pentru hartia strat neted

In cadrul variantei 2, (figura 3.2.) celuloza din rasinoase este destramata intr-un hidrapulper cu functionare discontinua, dupa care pasta de celuloza este golita intr-un rezervor. De aici este luata cu ajutorul unei pompe si adusa intr-un enstiper si apoi se macina in mori Conflo, de aici trece intr-un rezervor de unde este dusa la centrala de dozare. Pasta de maculatura este adusa intr-un rezervor si de aici este trecuta cu ajutorul unei pompe in centrala de dozare. Bracul uscat si cel umed sunt supuse acelorasi procese tehnologice.In centrala de dozare sunt aduse si materiale auxiliare:clei de colofoniu si sulfat de aluminiu. Pasta trece intr-un rezervor de amestec si apoi este pompata intr-o moara conica de egalizare si apoi la epurareLinia de epurare a pastei contine, deasemenea, trei trepte de centriclinere,un selectifiner si sortizor Jonson, iar epurarea se realizeaza in acelasi mod ca si la varianta prezentata anterior
Variantele prezentate difera prin faptul ca la prima varianta se foloseste numai celuloza de rasinoase iar maculatura este optionala. Deasemenea, difera si prin modul de realizare a macinarii, adica prin utilajul care realizeaza macinarea.
Desi ambele scheme tehnologice respecta toate fazele tehnologice ale prepararii pastelor ele pot avea unele avantaje si dezavantaje, alegandu-se varianta cea mai avantajoasa din toate punctele de vedere.
Alegerea variantei optime
Tinand cont de factorii care influenteaza prepararea pastei de hartie am ales ca varianta optima de preparare a pastei de hartie capac varianta 2 (figura 3.2 )
Dezavantajul primei variante este ca maculatura este optionala iar linia de macinare este formata din doua tipuri de mori de capacitate diferita care necesita garnituri diferite, deci avem doua linii complexe de macinare.Hidrafinerele functioneaza cu consum mare de energie, iar procesul este greu de controlat..
Avantajele variantei alese (varianta 2) sunt:
- utilajele folosite (hidrapulper, enstiper, rafinoare Conflo, centriclinere, selectifiner si sortizorul Jonson) sunt moderne si pot realiza capacitatea necesara pentru a obtine productia de hartie din tema de proiectare;
- consumul mai mic de energie, deoarece se utilizeaza un numar mai mic de utilaje ;
- bracul rezultat de la masina de hartie poate fi usor prelucrat si introdus inapoi in circuit, recuperand astfel fibra;
- pasta de hartie este bine omogenizata, deoarece celuloza sulfat din rasinoase este prelucrata separat fata de maculatura si brac ,apoi sunt amestecate intr-un rezervor si macinate impreuna in rafinoare Conflo.
- putem avea un control mai bun asupra gradului de macinare si a altor caracteristici;
Descrierea procesului tehnologic


Figura 3.3 Schema bloc de preparare a pastei de hartie strat neted
Pregatirea pastei pentru hartiele strat neted care au in compozitie celuloza sulfat si maculatura din hartii rezistente se poate efectua dupa schema tehnologica de mai sus.
Circuitul celulozei din rasinoase
Celuloza din rasinoase este adusa prin intermediul unei benzi transportoare inclinate la gura de alimentare a hidrapulperului (functionare discontinua ).
La inceperea destramarii se inchide ventilul de golire al hidrapulperului si se umple destramatorul cu apa grasa din rezervorul de apa grasa. Acesta este asezat deasupra destramatorului si are rolul sa acumuleze in intervalul dintre doua operatiuni consecutive cantitatea de apa necesara functionarii. Deoarece permite sa se masoare cu precizie cantitatea de apa introdusa in destramator si deci reglarea consistentei.
Cand apa atinge un anumit nivel in hidrapulper este adusa celuloza si se incepe destramarea. Consitenta in hidrapulper este 7%, iar durata procesului este de 1200 secunde. Pasta de celuloza destramata este trimisa intr-un rezervor care este prevazut cu un indicator de nivel. Acest rezervor are rolul de a omogeniza pasta si de a realiza o buna umflare a fibrelor de celuloza. Pasta de celuloza este macinata in trei rafinoare Conflo JC 03 inseriate, dupa ce in prealabil a trecut prin enstiperul E2K.Fiecare rafinor asigura o crestere a gradului de macinare cu 4o SR. Consistenta pastei din rafinoare este de 3,5 %. Pasta macinata in rafinoare este trimisa in centrala de dozare si apoi in rezervorul de amestecare in care este adusa si pasta din maculatura .
Circuitul pastei din maculatura
Pasta de maculatura preparata intr-o alta sectie este adusa intr-un rezervor care are rolul de a realiza o buna umflare a fibrelor respectiv de a omogeniza pasta.De aici este trimisa cu ajutorul unei pompe in centrala de dozare si de aici in rezervorul de amestecare.
Circuitul bracului
Bracul uscat impreuna cu apa se introduc intr-un hidrapulper unde are loc destramarea.Apoi pasta este trimisa intr-un rezervor, de aici este trecuta cu ajutorul unei pompe printr-un enstiper si mai departe este adusa intr-un rezervor de stocare unde se amesteca cu bracul umed rezultat de la presel umede, care in prealabil a fost ingrosat pe un ingrosator .
Circuitul comun
In centrala de dozare se introduc celuloza din rasinoase,pasta din maculatura , bracul, clei de colofoniu si sulfat de aluminiu. Pasta rezultata in urma omogenizarii ajunge in rezervorul masinii si de aici este trimisa intr-un rafinor care are rolul de a regla si uniformiza gradul de macinare.
Materialul este trimis la sortarea grosiera la centriclinere. Pentru asigurarea consistentei necesara la sortarea materialului aspiratia pompei este legata de rezervorul de apa grasa de sub sita masinii.
Sortarea primara a pastei de hartie se face in bateria de centriclinere formata din trei trepte. Refuzul din prima trepta este colectat intr-un rezervor intermediar prevazut cu un regulator de nivel. Din acest rezervor refuzul este preluat cu pompa si trimis la treapta a doua de centriclinere dupa care este diluat in prealabil cu apa grasa.
Acceptul de la trepta a doua se introduce in admisia unei pompe, iar refuzul este colectat intr-un rezervor intermediar prevazut cu regulator de nivel. Din acest rezervor pasta diluata cu apa grasa este trimisa cu pompa la treapta a treia de centriclinere formata dintr-un singur corp.
Acceptul din treapta a treia se introduce in rezervorul intermediar de la treapta intai, iar refuzul merge la canal. Acceptul de la treapta intai de centriclinere este trimis la selictifiner printr-un dezaerator .Acceptul de la selectifiner este trimis la sistemul de alimentare al cutiei de lansare, cu o consistenta de 0,6% si un debit orar de2451,957 m3/h.
Refuzurile usoare care nu au fost eliminate la sortarea primara in centriclinere ajung pe sortizorul Jonson. Refuzurile de pe Jonson se elimina la canal, iar acceptul merge in treapta a doua de sortare.
3.4.1 Caracteristicile materiilor prime, intermediare si auxiliare
Celuloza sulfat neinalbita din rasinoase
Celuloza sulfat neinalbita din rasinoase se livreaza sub forma de coli cu aria de maxim 0.80 m2 . Culoarea celulozei sulfat ninalbite din lemn de rasinoase este galben-bruna.
Caracteristicile fizice, mecanice si chimice sunt prezentate in tabelul 3.2
Caracteristicile fizice, mecanice si chimice ale celulozei sulfat neinalbite Tab 3.2
|
Caracteristici |
Conditii de admisibilitate Calitate E |
Metode de analiza si incercari |
|
Grad de incrustare -indice Kung -indice Kappa |
|
STAS 5085-59 STAS 6740-63 |
|
Lungime de rupere(la
o macinare de 30oSR, banda de 15 |
|
STAS 4737-62 |
|
Alungire, % min |
|
|
|
Indice de sfasiere (rezistenta la sfasiere relativa la o macinare de 30oSR)min |
|
STAS 4742-62 |
|
Numar de duble indoiri |
|
STAS 4739-62 |
|
Indice de plesnire - cu aparat hidraulic,min - cu aparat pneumatic,min |
|
STAS 939-62 |
|
Grad de impurificare |
Nu se admit impuritati cu dimensiuni peste 4 mm |
STAS 4755-63 |
|
Umiditate - la celuloza trasa pe masina - la celuloza destramata % max. |
|
STAS 4757-61 |
|
Cenusa, % max. Timp de macinare , minute max. |
|
STAS 1220-60 STAS 6095-67 |
Maculatura
Conditii tehnice
Maculatura trebuie sa fie lipsita de corpuri din metal (sarma, capse, catarame, cuie )lemn, sticla, celuloid, celofan, pergament, sfori, carpe, obiecte si resturi de bachelita, materiale plastice si sintetice, hartii sau panze impregnate sau acoperite(cu bitum, parafina, polietilena, policlorura de vinil si alte rasini sintetice) hartii si cartoane metalizate, hartii si panze abrazive, hartii de copiat precum si alte corpuri straine.
Praful, nisipul, pamantul si resturile din materialul pe care l-au continut sunt admise in total in proportie de maximum 1 % .
Nu se admite maculatura care provine de la ambalarea produselor toxice sau nocive (insecticide, coloranti)
Maculatura nu trebuie sa prezinte degradari datorita putrezirii
Umiditatea maxima :12 %
Tab. 3.3
|
clasa |
Sortul maculaturii |
Caracteristicile maculaturii |
|
IV |
Maculatura din ambalaje uzate din carton ondulat si hartii de ambalaj rezistente |
Saci si pungi desprafuite lipsite de foi impregnate sau acoperite cu bitum, parafina, polietilena, policlorura de vinil si alte rasini sintetice sau insertii textile |
Sulfatul de aluminiu
Tab. 3.4 Proprietatile fizice si chimice
|
Tipul |
A |
|
Calitatea |
E |
|
Culoare |
Alba |
|
Al2O3, % min |
|
|
Substante insolubile in apa, % max. |
|
|
Aciditate libera (H2SO4) , % |
Max. 0.2 |
|
Fier (Fe) % max. |
|
|
Arsen (As) % max. |
|
Consideratii teoretice asupra proceselor din schema adoptata
Introducere
Procesul in care semifabricatele fibroase celulozice sunt transformate intr-o pasta din care se obtine ulterior pe masina foaia de hartie,poarta denumirea de preparare a pastei de hartie. Pasta poate fi constituita dintr-un singur sort de fibre sau dintr-un amestec de semifabricate fibroase. Natura si proportia semifabricatelor care intra in compozitia pastei de hartie, depind de caracteristicile lor calitative si de proprietatile ce se cer produsului finit.
Prepararea pastei de hartie cuprinde mai multe faze tehnologice principale: destramarea, individualizarea si macinarea materialelor fibroase, incleierea, umplerea, colorarea si epurarea pastei. Alegerea adecvata a tehnologiei de preperare a pastei de hartie creaza posibilitatea ca dintr-un numar relativ redus de materiale fibroase sa se fabrice o gama larga de produse papetare.
Destramarea si individualizarea materialului fibros
Semifabricatele fibroase sunt furnizate ,adeseori,in fabricile de hartie sub forma de coli sau suluri cu consistenta ridicata sau chiar in stare uscata .In acest caz se procedeaza la destramarea si individualizarea materialului fibros .Totodata in acest proces se realizeaza si hidratarea si umflarea fibrelor,ceea ce determina ca operatia urmatoare -macinarea - sa decurga in conditii mai bune,intr-un timp mai scurt si cu un consum de energie mai mic .Destramarea materialelor fibroase trebuie sa se realizeze fara scurtarea fibrelor,deoarece de lungimea acestora depind viteza de deshidratare a pastei pe sita masinii de fabricatie si proprietatile fizico-mecanice ale foii de hartie .Aceasta conditie este indeplinita de un numar mare de aparate ,dintre care in prezent cea mai larga raspandire o au hidrapulperele.
Hidrapulperele sunt utilizate pentru destramarea diferitelor semifabricate fibroase,a bracului,a maculaturii .Ele pot sa functioneze continuu la consistenta de 0.5-2.5 %,sau pe sarje , la consistenta de 4-6%.
Destramarea in hidrapulper se produce datorita agitarii turbionare puternice a materialului in suspensie apoasa .Turbionarea se realizeaza cu rotoare , a caror suprafata in contact cu suspensia, este prevazuta cu palete sau cu alte tipuri de instalatii .La constructia rotoarelor trebuie sa se tina seama de doi factori:gradul de turbionare si durata de individualizare a materialului.
Durata necesara pentru destramarea semifabricatelor fibroase depinde si de consistenta pastei (fig. 3.2 )

Fig. 3.4. Influenta consistentei pastei asupra duratei de destramare , productivitatii hidrapulperului si consumului specific de energie
In general odata cu ridicarea consistentei creste si durata de destramare. Totusi la consistenta ridicata se poate prelucra la o singura sarja o cantitate mai mare de material. Din punct de vedere economic este important sa se stabileasca consistenta optima,aceea la care productivitatea utilajului este maxima .Consistenta optima este dependenta de tipul si marimea hidrapulperului .Consistenta maxima este limitata de conditiile de circulatie a pastei in cuva .Ridicarea consistentei peste limita la care hidrapulperul a fost proiectat sa functioneze,produce scaderea gradului de turbionare a pastei si cavitatia are caracter stationar . Cresterea in continuare a consistentei poate duce la incetarea circulatiei materialului in cuva hidrapulperului . La hidrapulperele cu volum relative redus si la care raportul intre masa pastei si suprafata interioara a aparatului este mic consistenta limita are valori scazute .Dimpotriva,la aparatele de dimensiuni mari,cu un raport mai avantajos intre volumul util si suprafata interioara,circulatia in cuva inceteaza la consistente ridicate.
Un factor important care influenteaza durata destramarii si in consecinta productivitatea si consumul specific de energie,este temperatura .Cresterea temperaturii apei reduce durata necesara pentru destramare si consumul specific de energie,fapt ilustrat in fig. 3.5 .

Fig. 3.5 Influenta temperaturii asupra duratei si consumului specific de energie la destramare (1-consumul specific de energie , 2-durata)
Prelucrarea materialelor celulozice in hidrapulpere ,din considerente economice (fig. 3.4 nu poate fi dusa pana la completa individualizare a fibrelor ci se completeaza cu masini speciale create pentru acest scop .In mod obisnuit ele se monteaza pe circuitul de refulare care evacueaza pasta din hidrapulper .Prin folosirea lor se urmaresc individualizarea si deflocularea materialului fibros in conditii de menajare maxima a acestuia .Cele mai cunoscute utilaje de acest fel sunt enstiperele.

Fig. 3.6 Influenta duratei asupra gradului de destramare si consumului specific de energie
3.4.2.3 Macinarea semifabricatelor fibroase
Macinarea este operatia cu cele mai mari consecinte asupra proprietatilor hartiei si este cunoscut ca prin macinare pana la un anumit nivel, caracteristicile de rezistenta se imbunatatesc,indiferent de natura materialului fibros. Totodata, macinarea este cea mai energofaga operatie de la fabricarea hartiei si de aceea dezvoltarea rezistentei hartiei se realizeaza pana la nivelul economic acceptat.
Gradul de macinare si caracterul macinarii depind de natura fibrelor si de caracteristicile hartiei .In principiu,indiferent de natura materialului fibros, macinarea se face cu scopul intensificarii legaturilor fibrelor in foia de hartie fara insa a fi afectata sever lungimea medie a fibrelor .Foaia de hartie formata din materiale fibroase nemacinate nu corespunde ca structura,aspect si rezistenta mecanica .Ea prezinta neuniformitati,transparenta noroasa,porozitate mare,este afanata si cu rezistenta scazuta .Aceasta situatie se datoreste faptului ca fibrele relativ lungi si groase floculeaza si depunandu-se pe sita masinii de fabricat hartie dau o foaie cu structura neuniforma.
Fibrele nemacinate au plasticitate redusa ,suprafata specifica relativ mica,sunt putin hidratate si de aceea sunt reduse posibilitatile de stabilire a legaturilor fibra-fibra in foaia de hartie .In consecinta macinarea trebuie sa confere fibrelor un raport determinat lungime/grosime si o anumita compozitie pe fractiuni,pentru a obtine structura si compactitatea dorita foii de hartie .Totodata este necesar sa se asigure un anumit grad de hidratare,cresterea suprafetei specifice,a plasticitatii si a altor insusiri ale fibrelor de care depinde valoarea fortelor de legatura intre fibre si proprietatile fizico-mecanice ale hartiei.
Efectul macinarii asupra fibrelor
Principalele efecte ale macinarii asupra fibrelor sunt urmatoarele umflarea, cresterea flexibilitatii ,distrugerea si indepartarea peretelui primar , fibrilarea externa, ruperea legaturilor interne din fibre sau fibrilarea interna , scurtare si subtierea , formarea materialului fin si cresterea suprafetei specifice.
Umflarea .Fibrele celulozice se caracterizeaza printr-o retea capilara extrem de fina , care le confera o suprafata interna ridicata .Sorbtia apei si umflarea fibrelor in procesul de macinare se produce in etape .La inceput are loc o umplere cu apa a spatiilor dintre fibre dupa care,datorita presiunii capilare , apa patrunde in interiorul porilor .Prin interactiunea apei cu grupele hidroxil ale celulozei se modifica legaturile de hidrogen si fibra se umfla .In primul moment al umflarii, intre macromoleculele de celuloza se interpune un strat monomolecular de apa(fig. 3.5).Prin cresterea in continuare a cantitatii de apa care patrunde in interiorul fibrei, se mareste distanta dintre lanturile macromoleculare de celuloza si se creeaza noi legaturi de hidrogen prin intermediul moleculelor de apa.



Fig. 3.7 Tipuri de legaturi de hidrogen intre macromoleculele de celuloza
a-legaturi de hidrogen intre grupele hidroxil de la doua lanturi macromoleculare de celuloza vecine; b - legaturi de hidrogen prin intermediul unui strat monomolecular de apa ; c - legaturi prin intermediul mai multor straturi de apa
Capacitatea de umflare depinde atat de proprietatile celulozei cat si de natura fazei lichide .Ea creste odata cu marirea continutului de hemiceluloze si scaderea procentului de lignina .Celulozele cu continut ridicat de lignina,in special cele de mare randament se umfla mai greu deoarece parte din grupele hidroxil sunt angajate in legaturi cu lignina care este o substanta hidrofoba .Capacitatea de umflare prezinta un minim la pH=7-7.5.Reducerea pH-ului apei sub aceasta valoare si in special cresterea lui pana la 8-9 influenteaza favorabil capacitatea de umflare a celulozei.
Distrugerea peretelui primar si fibrilarea externa .Separarea pe cale chimica a fibrelor din tesutul vegetal se realizeaza fara distrugerea peretelui primar. Acesta din urma , desi este permeabil se umfla numai in mica masura si actioneaza ca o plasa rigida in jurul fibrei impiedicand umflarea peretelui secundar. Morfologia diferita a straturilor ce constituie peretele secundar,determina aparitia fenomenului de ,,balonare"(fig. 3.8).
Stratul S2 se umfla puternic si provoaca ruperea in locurile slabe ale stratului S1 cu capacitate redusa de umflare .In urma acestui proces, in jurul fibrei se formeaza din loc in loc inele care limiteaza umflarea in continuare.

Figura. 3.8 Efectul umflarii stratului S2 asupra formei fibrei
Umflarea slabeste legaturile interfibrilare si sub actiunea mecanica a aparatelor de macinare,peretele secundar fibrileaza . Fibrilarea poate fi usor evidentiata microscopic (fig.3.9). Se observa ca fibrele nemacinate au suprafata exterioara neteda , iar dupa macinare ,din peretele celular se separa un numar mare de fibrile . Fibrilarea este facilitata de un tratament mecanic bland de lunga durata si se produce frecvent cand fibrele sunt strivite intre garnituri cu cutite cu muchiile tocite.

a b
Figura. 3.9 Microfotografia fibrelor inainte (a) si dupa macinare (b)
Macinarea avansata pana la fibrilarea stratului S2 prezinta multiple avantaje. In primul rand acesta reprezinta cea mai mare parte din grosimea peretelui celular : 87.5 % in cazul fibrelor din lemn tarziu si 78.5 % la fibrele din lemn timpuriu. Totodata , legaturile intre straturile S2 de la 2 fibre vecine se repartizeaza pe o suprafata mai mare , intrucat fibra ajunsa in aceasta stare de macinare are o plasticitate ridicata.
Hidratarea celulozei . Fibrilarea poate fi apreciata ca un proces coloidal de dispersare superficiala a celulozei si este insotita de cresterea cantitatii de apa adsorbita.Ca urmare,la suprafata fibrelor puternic macinate se formeaza o pelicula coloidala , un gel de celuloza .Procesele coloidale de umflare , fibrilare si adsorbtia apei la suprafata fibrelor se numesc conventional hidratare la macinare.
La formarea foii de hartie pe sita masinii de fabricatie si prelucrarea in presele umede , datorita existentei suprafetei hidratate , intre fibrele vecine se stabilesc legaturi de hidrogen prin intermediul apei .Indepartarea apei la uscarea hartiei asigura formarea legaturilor de hidrogen intre grupele hidroxil de pe lanturile macromoleculare care se gasesc la o distanta de 0.255-0.275 nm .
Fibrilarea interna . Fibrilarea interna apare prin patrunderea apei in zonele amorfe ale fibrilelor .Apa rupe legaturile secundare dintre lanturile macromoleculare ale celulozei ceea ce are ca rezultat separarea straturilor de fibrile orientate ,care dupa uscare sunt capabile sa se lege intre ele . Fibrilarea interna conduce la modificarea structurii peretelui secundar in stare umflata , ceea ce are ca efect cresterea elasticitatii fibrei .La o fibrilare interna avansata , paturile coaxiale din stratul S2 pot sa alunece una fata de alta , deoarece apa care se gaseste in zonele amorfe joaca rolul de lubrifiant.
In procesul de macinare , peretele celular se deformeaza elastic sau plastic
( fig. 3.10 )

Figura. 3.10 Schema deformatiilor elastice (a) si plastice (b) ale fibrelor in timpul macinarii
Deformatia elastica este caracteristica pentru fibrele uscate sau insuficient fibrilate intern .Pentru producatorul de hartie prezinta importanta deformarea plastica,observata la fibrele cu fibrilare interna avansata , deoarece are ca rezultat modificarea structurii fibrei,cresterea elasticitatii si plasticitatii ei .Prin aceasta se creeaza conditii favorabile pentru marirea numarului de contacte fibra-fibra in foaia de hartie .
Scurtarea fibrelor .Sub actiunea muchiilor taietoare ale garniturii de macinare ,fibrele sunt forfecate transversal sau longitudinal ( fig. 3.11 ).Ca urmare a forfecarii , lungimea medie a fibrelor scade continuu pe tot parcursul macinarii.

a b
Figura. 3.11 Aspectul microcsopic al fibrelor forfecate transversal (a) si longitudinal (b) in timpul macinarii
Scurtarea fibrelor influenteaza de regula nefavorabil caracteristicile hartiei. de aceea trebuie limitata prin alegerea judicioasa a parametrilor macinarii.
Factorii care influenteaza procesul de macinare a materialelor fibroase
Procesul de macinare a materialelor fibroase este influentat de un numar mare de factori care pot fi clasificati in trei grupe : 1) factori dependenti de natura materialului fibros ; 2 ) factori tehnologici ;3 )factori dependenti de constructia utilajului .Acesti factori determina viteza procesului de macinare , durata si economicitatea sa , precum si proprietatile pastei de hartie.
A . Factori dependenti de natura materialului fibros
Gradul de polimerizare al celulozei .O influenta hotaratoare asupra vitezei procesului de macinare si a rezistentei hartiilor obtinute o are gradul de polimerizare si polimolecularitatea celulozei de la suprafata fibrelor .Cu cat este mai mare gradul de polimerizare al celulozei , cu atat viteza de macinare este mai mica , in schimb proprietatile de rezistenta ale hartiei sunt mai bune .S-a stabilit ca celuloza care contine o cantitate mai mare de fractiuni cu grad de polimerizare ridicat se caracterizeaza printr-o rezistenta mare , se macina greu si din ea se obtin hartii cu bune proprietati mecanice .Astfel , cele mai rezistente celuloze sulfat au fost cele care au avut 58-74 % fractiuni cu GP>800 , in timp ce cele mai putin rezistente au fost produsele de celuloza sulfat , la care asemenea fractiuni au reprezentat 15.8-24.8 % .Pe masura avansarii macinarii , compozitia fractionara a celulozei se modifica : scade cantitatea de fractiuni cu grad de polimerizare ridicat, marindu-se continutul de fractiuni cu grad de polimerizare mediu si scazut.
Continutul de hemiceluloze .Hemicelulozele constituie fractiunea de hidrati de carbon cea mai reactiva din compozitia peretelui celular , fapt determinat pe de o parte de structura lor amorfa , iar pe de alta parte de localizarea lor la suprafata fibrei .Ele poseda hidrofilie mare , capacitate ridicata de umflare si favorizeaza fibrilarea si hidratarea fibrelor in procesul de macinare.
Prin umflare , materialul hemicelulozic formeaza un gel in interiorul fibrei , in spatiile interfibrilare si pe suprafata fibrelor si fibrilelor .Efectul adeziv al unui astfel de gel este in general acceptat .Pe aceasta baza ar fi de asteptat imbunatatirea continua a proprietatilor de rezistenta ale hartiei pe masura cresterii continutului de hemiceluloze din materialul fibros.
Continutul de lignina .Lignina este o substanta hidrofoba si prezenta ei reduce in pasta capacitatea de legare a fibrelor prin punti de hidrogen .Prin delignificarea lemnului, proprietatile papetare ale pastei se imbunatatesc pe masura scaderii continutului de lignina pana la o valoare optima, dupa care fenomenul este invers .Este foarte dificil sa se formuleze o concluzie generala asupra continutului optim de lignina , deoarece aceasta afecteaza diferit fiecare proprietate a hartiei.
B. Factori tehnologici
Presiunea specifica de macinare are un rol hotarator in determinarea directiei procesului de macinare .La presiuni specifice mici , macinarea se produce dominant in directia fibrilarii si hidratarii fibrelor si ca rezultat se obtine o pasta grasa la pipait .Pe masura cresterii presiunii specifice de macinare , se intensifica scurtarea si scade gradul de fibrilarea si hidratare a fibrelor , iar macinarea este din ce in ce mai aspra .Prin aceasta rezistentele mecanice ale hartiei scad , in timp ce gradul de afanare si porozitatea la acelasi grad de macinare,se maresc .Presiunea specifica la macinare este legata direct de distanta dintre cutitele aparatului de macinare .Macinarea la presiune specifica ridicata se desfasoara mai repede si mult mai eficace in sensul consumului specific de energie dar hartia obtinuta este mult mai rezistenta.
Durata macinarii influenteaza hotarator gradul de macinare,scurtarea si fibrilarea , precum si dezvoltarea fortelor de legatura dintre fibre.
Consistenta pastei .Fiecare aparat de macinare lucreaza economic la o anumita consistenta a pastei .In practica uneori se modifica consistentele optime pentru a obtine mai usor caracterul necesar al macinarii .Astfel , pentru a realiza o macinare grasa cu o scurtare redusa a fibrelor se utilizeaza paste cu consistente ridicate .Dimpotriva,pentru macinarile aspre,cu o scurtare puternica a fibrelor se prefera paste cu consistente scazute.
Reducerea consistentei pastei duce la scaderea grosimii stratului de fibre dintre cutitele aparatului de macinare si ca urmare se intensifica actiunea de forfecare la macinare cu efect nefavorabil asupra dimensiunilor si a hidratarii fibrelor .Scaderea consistentei pastei are acelasi rezultat ca si ridicarea presiunii la macinare.
Aciditate mediului si prezenta electrolitilor . Proprietatile fizico-mecanice ale hartiei depind de pH-ul mediului la care se realizeaza macinarea .Prin reducerea pH-ului de la 6.3 pana la 3.1 scad densitatea aparenta,lungimea de rupere si rezistenta la plesnire a hartiei .Acelasi efect nefavorabil il are si mediul puternic alcalin .Prezenta electrolitilor influenteaza viteza de umflare a fibrelor la macinare precum si rezistenta hartiei.
Temperatura .Ridicarea temperaturii pastei influenteaza negativ asupra procesului de macinare : scade viteza de macinare si se intensifica procesul de scurtare a fibrelor .In acelasi timp hidratarea se produce intr-o masura mai mica,deoarece capacitatea de umflarea se reduce .Deoarece prin ridicarea temperaturii pastei la macinare transformarile pur mecanice ale fibrelor sunt mai pronuntate , rezistentele hartiei la duble indoiri si sfasieri scad, in timp ce capacitatea de absorbtie si porozitatea cresc .Temperaturile joase,la care pasta macinata sau nemacinata ingheata influenteaza asupra formarii foii si insusirilor fizico-mecanice ale acesteia .Pasta inghetata si apoi dezghetata devine mult mai aspra si hartia obtinuta din ea se caracterizeaza prin capacitate de absorbtie si porozitate ridicate si rezistente mecanice scazute .Efectul inghetarii se poate explica prin aparitia cristalitilor de gheata in microporii peretilor celulari si afanarea structurii fibrelor .Sunt posibile ,in special la temperaturi foarte scazute, ruperi ale lanturilor macromoleculare de celuloza.
C. Factori dependenti de constructia utilajului de macinare
Garnitura de macinare .Aparatele de macinare sunt prevazute cu cutite mobile dispuse pe rotor si cutite fixe amplasate pe stator .Cutitele pot fi metalice sau din bazalt,materialul din care sunt confectionate influentand caracterul macinarii si respectiv calitatea pastei de hartie .Tipul de garnitura se alege in functie de caracterul macinarii si insusirile hartie .Garniturile metalice sunt eficiente in cazurile cand se urmareste scurtarea fibrelor .Cand este necesara o macinare foarte grasa , cu fibre lungi este indicat sa se foloseasca garnituri de bazalt .Efectele diferite ale garniturii de cutite se datoresc deosebirilor de microstructura .In timpul macinarii apa patrunde in interiorul fibrei actionand ca un lubrifiant intre lanturile macromoleculare .In momentul cand o asemenea fibra intra in contact cu suprafata de macinare , apa este eliminata din reteaua fibroasa pentru a patrunde din nou dupa trecerea prin acest sector.
Prin acest ciclu de hidratare si deshidratare a fibrei structura sa se destinde. Procesul se desfasoara relativ lent daca apa se poate elimina numai intr-o singura directie,cum se intampla in cazul unei suprafete netede de macinare .Daca suprafata de macinare prezinta pori sau gauri prin care apa poate fi primita si din partea cealalta a fibrei,ciclul de deshidratare se accentueaza,ceea ce va duce la o eficienta marita a macinarii.
In afara de materialul din care sunt fabricate cutitele o influenta foarte mare asupra procesului de macinare o are si unghiul dintre cutitele fixe si cele mobile. Daca in cazul unui unghi mic, in vederea obtinerii unui anumit grad de macinare , numarul trecerilor va fi mai redus , la un unghi mai mare,durata macinarii este mai ridicata,in schimb actiunea mecanica este mai blanda si conduce la paste cu caracter mai gras.
La intrebuintarea garniturilor metalice o importanta deosebita o are alegerea corecta a grosimii cutitelor de care depind eficacitatea aparatului si caracterul macinarii .Intre grosimea cutitelor si suprafata de macinare este o dependenta direct proportionala .De aceea , la o presiune totala de macinare constanta, presiunea specifica este cu atat mai mare,cu cat grosimea cutitelor este mai mica. In consecinta influenta grosimii cutitelor asupra caracterului macinarii este inversa decat cea a presiunii specifice .In cazul celulozei sulfat din rasinoase neinalbite grosimea cutitelor este de 4-6 mm.
Maculatura contine fibre care au parcurs cel putin o data intregul ciclu de operatii de la fabricarea hartiei,deci si macinarea .Desi s-ar parea ca maculatura nu trebuie macinat exista motive pentru a repeta macinarea fibrelor secundare. Pierderea capacitatii de umflare datorita uscarii hartiei se poate compensa prin macinare ,deoarece se creeaza noi pori in structura fibrelor si are loc fibrilarea acestora .De aceea macinarea maculaturii se face pentru refacerea potentialului papetar , dar prin acest proces se produc si efecte nefavorabile, cel mai important fiind reducerea vitezei de deshidratare a pastei.
3.4.2.4 Icleierea hartiei
Termenul de incleiere defineste operatia tehnologica prin care se confera hartiei rezistenta la penetratia lichidelor : cerneluri de scris si tipar , solutii coloidale , apa .Astfel se poate vorbi despre rezistenta la penetratia apei si a solutiilor apoase,impermeabilitatea la apa, la solventi organici,grasimi si la uleiuri. In practica termenul de incleiere se foloseste pentru operatia prin care se realizeaza o limitare partiala a penetratiei apei si solutiilor apoase in foaia de hartie.
Pentru stabilirea cailor prin care se poate limita penetratia lichidelor in foaia de hartie trebuie analizat mecanismul de curgere.
Hartia este un sistem capilar format din materiale fibroase impaslite si o retea de pori interconectati a caror forma si dimensiuni variaza foarte mult. Diametrul aparent al porilor este in general de acelasi ordin de marime cu diametrul fibrelor ce formeaza structura foii de hartie .O parte din pori sunt ,,inchisi" in structura foii iar o parte comunica cu una sau cu ambele fete ale foii,constituind porii deschisi.
Presiunea de curgere capilara este cauzata de tensiunea superficiala a lichidului si este orientata pe directia tangentei la menisc in punctul de contact al acestuia cu peretele capilarului
( fig.3.12)

Fig. Reprezentarea schematica a mecanismului curgerii capilare
In care :
r - raza capilara, in m
- tensiunea superficiala a lichidului
- ughiul de udare al lichidului la contactul cu peretele
capilarului format din celuloza, in grade.
Curgerea capilara poate sa fie atat de intensa incat cerneala poate sa patrunda de pe o fata pe cealalta a hartiei .Patrunderea lichidelor polare in microcapilare provoaca slabirea legaturilor de hidrogen interfibre si rezistenta foii va scadea mult, comparativ cu cea in stare uscata.
Neajunsurile cauzate de curgerea capilara pot fi evitate pe 2 cai: una consta in aplicarea pe suprafata foii de hartie a unei pelicule lipsita de pori sau cu putini,aceasta inchizand caile de patrundere a lichidelor, operatie ce poarta denumirea de incleiere la suprafata .A doua cale recurge la modificarea factorilor ce determina curgerea capilara,in sensul micsorarii acesteia .Aceasta presupune introducerea in pasta de hartie a unor substante hidrofobe,care la formarea foii sa acopere peretii microcapilarei si prin aceasta sa micsoreze in masura importanta presiunea de curgere capilara .Aceasta metoda poarta denumirea de ,,incleiere in masa".
Actiunea substantelor hidrofobe introduse in foaia de hartie poate fi urmarita in schema din figura 3.13

Figura. 3.13 Micsorarea adancimii de curgere capilara in prezenta rasinii
Aparent substantele hidrofobe ar trebui sa formeze un film continuu pe peretii microcapilarelor pentru a micsora presiunea capilara .In realitate sunt necesare doar puncte in care componenta activa a tensiunii superficiale sa fie foarte mica pentru ca potentialul de curgere sa scada si sa apara efectul de incleiere.
Materialele folosite pentru micsorarea adancimii de curgere a lichidelor polare in capilarele foii de hartie trebuie sa indeplineasca o serie de conditii :
- sa aiba unghiul de udare cat mai apropiat de 90o ;
- sa poata fi dispersate foarte
fin (particule
1
m),iar dispersiile sa fie stabile;
- particulele de incleiere sa poata fi imobilizate pe suprafata fibrelor celulozice printr-un mijloc usor accesibil din punct de vedere tehnologic;
- sa fie inert fata de lichidele cu care vine in contact, astfel ca aceasta sa-si pastreze proprietatile de incleiere;
- ideal,agentul de incleiere, trebuie sa nu influenteze nefavorabil asupra celorlalte procese de la fabricarea hartiei si asupra proprietatilor produsului finit.
Aceste conditii sunt indeplinite de un numar limitat de compusi din care cea mai larga utilizare o are cleiul de colofoniu.
In vederea obtinerii rezultatelor dorite la incleierea cu clei de colofoniu, particulele de clei trebuie sa fie precipitate pe suprafata fibrelor celulozice pentru ca astfel sa fie retinute in structura foii de hartie.
Dispersia de clei fiind stabilizata, apare necesitatea ca dupa omogenizarea amestecului fibre-particule de material de incleiere sa se realizeze instabilizarea dispersiei, aceasta facand posibila fixarea rasinii pe fibra. Forma dorita de pierdere a stabilitatii cleiului este eterocoagularea .Dirijarea sistemului in directia eterocoagurarii se poate face cunoscand cauzele care determina stabilitatea dispersiilor de clei si celuloza.
La ambii componenti in jurul particulelor se formeaza stratul dublu electric, care se percepe prin valoarea si semnul potentialului zeta .In acest sistem, atat fibrele celulozice, cat si particulele de clei au potentiale electrocinetice de acelasi semn,negative, incat interactiunea lor va fi neinsemnata. De aici, rezulta ca pentru retinerea particulelor de clei pe suprafata fibrelor celulozice este necesar fie sa se instabilizeze ambii componenti, fie sa se schimbe semnul incarcarii unei dintre componenti.
Instabilizarea sistemului fibre celulozice-particule de clei se poate realiza prin adaos de electroliti coagulanti . Procedeul clasic de incleiere utilizeaza sulfat de aluminiu ca agent de coagulare a cleiului de colofoniu.
In afara rolului sau in precipitarea colofoniului, sulfatul de aluminiu este implicat in mecanismul prin care precipitatul de incleiere este fixat pe fibrele celulozice.
Mecanismul electrocinetic evidentiaza dublul rol al sulfatului de aluminiu, care:
a) modifica incarcarea electrocinetica fie a particulelor de clei, fie a celulozei si creeaza premisele interactiunii componentilor sistemului in directia eterocoagularii;
b) intra in compozitia precipitatului de incleiere favorizand fixarea acestuia pe suprafata fibrelor si orientarea grupelor hidrofobe spre exterior.
Actiunea sulfatului de aluminiu ca electrolit de modificare a potentialului zeta este complexa si depinde in principal de concentratia acestuia si de pH-ul pastei celulozice .Cationul Al+3 are densitate mare de incarcare si prezinta tendinta de coordinare, formand ioni complecsi de forma :
Al(H2O)63+
Al(H2O)5(OH)2++H+
Al(H2O)5(OH)2+
Al(H2O)4(OH)+2+H+
Al(H2O)4(OH)2
Al(H2O)3(OH)3+H+
Al(H2O)3(OH)3
Al(H2O)2(OH)4-+H+
Incleierea este posibila numai in domeniul de pH=4.2-7.5.Numeroase cercetari , precum si practica industriala au evidentiat faptul ca eficienta maxima a incleierii se obtine in mediu acid (pH=4.5).Acest pH se realizeaza cand raportul intre cantitatea de sulfat de aluminiu si clei de colofoniu introduse in pasta de hartie este de 1.5-2.0, pe cand pentru formarea rezinatului, acesta trebuie sa fie 0.35.Aceasta subliniaza inca o data rolul sulfatului de aluminiu in mecanismul incleierii.
Procedeul clasic de incleiere a hartiei la pH acid a reprezentat o mare realizare in domeniul tehnologiei hartiei, dar de-a lungul anilor s-a dovedit ca mediul acid genereaza o serie de dezavantaje : pH-ul scazut al apelor grase si al pastei de hartie determina coroziunea puternica a instalatiilor ; caracterul acid al hartiei fabricate constituie un factor potential de distructie in timp a materialului celulozic, respectiv de imbatranire a produselor papetare ; limitarea gradului de inchidere a circuitelor apelor grase, datorita acumularii ionilor SO42-,ceea ce conduce la consumuri energetice ridicate.
3.4.2.5 Diluarea si epurarea pastei de hartie
In rezervoarele masinii pasta are consistenta de 2.5-4 % si este prea mare pentru a putea fi lansata pe sita masinii de fabricatie .Totodata, pasta mai contine o serie de impuritati, care trebuie eliminate, pentru a nu influenta calitatea hartiei. Din aceste considerente, pasta este diluata pana la consistenta de 0.1-1 % in functie de sortul de hartie care se fabrica .In general, intre masa hartiei (g/m2) si consistenta pastei exista o dependenta direct proportionala,fapt prezentat in figura 3.14
La aceeasi masa a hartiei, consistenta pastei este cu atat mai mica cu cat gradul de macinare este mai scazut.

Figura. 3.14 Dependenta intre masa hartiei si consistenta pastei la lansare
Diluarea pastei se realizeaza de regula cu apa grasa, rezultata la deshidratarea benzii de hartie in zona valturilor registre. Amestecarea apei grase cu pasta se realizeaza in pompa de amestec, modul de alimentare al acesteia influentand stabilitatea procesului de formare a hartiei. Pasta de hartie se alimenteaza in pompa de amestec prin intermediul unei cutii de nivel care daca este proiectata corect, prezinta urmatoarele avantaje:
elimina o mare parte din aerul liber din pasta;
minimalizeaza efectele pulsatiilor de la pompa de alimentare a pastei;
mentine constant debitul de material prin intermediul ventilului de reglare a gramajului.
Rezervorul de apa grasa indeplineste trei finctii:
colecteaza apa din zona de formare a hartiei;
realizeaza un debit constant la aspiratia pompei de amestec;
asigura timpul necesar pentru dezaerare;
Impuritatile care se gasesc in pasta de hartie provin din semifabricatele fibroase , materialele de incleiere, apa de fabricatie sau din uzura garniturii utilajelor de macinare. O parte din impuritati (nisip, particule metalice) au densitatea mai mare decat a materialelor fibroase si se pot elimina cu epuratoare turbionare. Alte impuritati (aglomerari de fibre) au aceeasi densitate cu materialul fibros, dar au dimensiuni mai mari si se separa cu epuratoare centrifugale
( selectifinere ) sau cu fante calibrate ( epuratoare plane sau cilindrice )
Natura diferita a impuritatilor impune, in special in cazul fabricarii sorturilor superioare de hartie, desfasurarea operatiei de epurare in doua trepte. In prima treapta se indeparteaza impuritatile grele, iar in cea de a doua aglomerarile de fibre.
Inainte ca pasta de hartie sa intre in cutia de lansare trece prin sortizoare centrifugale in care se elimina aglomerarile de fibre si alte impuritati de dimensiuni mici. Aceste aparate contribuie la desfacerea agregatelor si individualizarea fibrelor ceea ce determina imbunatatirea uniformitatii hartiei. Toate sortizoarele centrifugale folosite astazi lucreaza sub presiune, de aceea ele pot fi instalate la orice nivel in hala masinii de fabricatie.
Pe masura ce utilizarea aditivilor in pasta de hartie s-a intensificat si viteza masinilor de fabricatie a crescut, dezaerarea realizata de aparatele de epurare presurizate nu mai este suficienta. De aceea dupa epuratoarele turbionare se practica o dezaerare suplimentara intr-un dezaerator.
3.4.3 Bilantul de materiale pe atelierul de preparare a pastei de hartie capac
Se stabilesc urmatoarele date initiale :
- gramajul hartiei, q , g/m2 : q=120 g/m2
- forma de livrare a hartiei : bobine cu latimea l=2.1 m
- cantitatea de material absolut uscat lansat pe sita , x , kg/h :
x=x11, x=14711.743 kg/h
- consistenta pastei la lansare, c , %
c=c11, c=0.6%![]()
![]()
- debitul de pasta lansat pe sita , Q , m3/h :
![]()
Selectifiner
Refuzul la selectifinere reprezinta 10.2% din cantitatea alimentata si se elimina cu o consistenta c1=1.5%. In aparat se introduc 3.7m3/h de material absolut uscat.

Figura 3.15 Bilantul de materiale pe selectifiner
![]()
![]()
![]()
![]()
![]()
![]()
Bilantul de materiale pe selectifiner
Tabelul 3.5
|
Denumire |
c,% |
Fibra , kg/h |
Pasta , m3/h |
|
Apa diluare Pasta intrata |
c2=0.655 |
x2=16382.787 |
W=60.616 Q2=2502.744 |
|
Total intrari |
|
x2=16382.787 |
Q2+W=2563.36 |
|
Pasta la lansare Refuz |
c=0.6 c1=1.5 |
x=14711.743 x1=1671.044 |
Q=2451.975 Q1=111.403 |
|
Total iesiri |
|
x+x1=16382.787 |
Q+Q1=2563.36 |
Sortizorul Jonson
Cantitatea de refuz este 10% din cantitatea alimentata si are consistenta c3=2%.
Cantitatea de apa alimentata la sprituri este de 10 m3/t fibra
![]()
![]()
![]()
![]()
![]()
Figura 3.16 Bilantul de materiale pe sortizorul Jonson
![]()
![]()
![]()
![]()
%
![]()
Bilantul de materiale pe sortizorul Jonson Tabelul 3.6
|
Denumire |
c,% |
Fibra , kg/h |
Pasta ,m3/h |
|
Pasta intrata Apa diluare |
c1=1.5 |
x1=1671.044 |
Q1=111.403 W'=16.71 |
|
Total intrari |
|
x1=1671.044 |
W'+Q1=128.113 |
|
Accept la centriclinere Refuz sortare |
c4=1.256 c3=2 |
x4=1503.94 x3=167.104 |
Q4=119.758 Q3=8.355 |
|
Total iesiri |
|
x3+x4=1671.044 |
Q3+Q4=128.113 |
Centriclinere
Se admite ca centriclinerele functioneaza toate in aceleasi conditii : cantitatea de refuz este 16% din cantitatea alimentata, refuzul se elimina cu consistenta de 1.5% si acceptul din fiecare treapta are acceasi consistenta :
c2=0.655 ,cr=1.5
x9 c9 Q9 x2,c2,Q2

Figura 3.17 Bilantul de materiale pe centriclinere
Cunoscand consistentele acceptului si refuzului se calculeaza consistenta la alimentare ca :
![]()
![]()
Acceptul de la
Jonson
![]()
![]()
![]()
![]()
![]()
![]()
![]()
![]()
![]()
![]()
![]()
![]()
![]()
![]()
Bilantul de materiale pe centriclinere
Tabelul 3.7
|
Denumire |
c,% |
Fibra , kg/h |
Pasta,m3/h |
|
Pasta de la cutia de diluare Accept de la Jonson Apa diluare,Tr II Apa diluare, Tr III |
c10=0.741 c4=1.256 |
x10=15015.616 x4=1503.94 |
Q10=2025.208 Q4=119.758 W1=305.073 W2=61.823 |
|
Total intrari |
|
x4+x10=16519.556 |
Q10+Q4+W1+W2=2511.86 |
|
Accept la selectifiner Refuz la canal |
c2=0.655 |
x2=16382.787 x9=136.768 |
Q2=2502.744 Q9=9.118 |
|
Total iesiri |
|
x2+x9=16519.556 |
Q2+Q9=2511.86 |
Cutia de diluare
In rezervorul masinii ,pasta are consistenta 3-3.5% si se dilueaza cu apa grasa de la valturile registre.
cam=3 , cVR=0.04

Figura 3.18 Bilantul de materiale pe cutia de diluare
x11+x12=x10
![]()
![]()
![]()
![]()
![]()
Bilantul de materiale pe cutia de diluare
Tabelul 3.8
|
Denumire |
c,% |
Fibra,kg/h |
Pasta,m3/h |
|
Pasta din rezervorul masinii Apa grasa |
c11=3 c12=0.04 |
x11=14397.499 x12=618.166 |
Q11=479.917 Q12=1545.291 |
|
Total intrari |
|
x11+x12=15015.665 |
Q11+Q12=2025.208 |
|
Pasta la centriclinere |
c10=0.741 |
x10=15015.616 |
Q10=2025.208 |
|
Total iesiri |
|
x10 =15015.616 |
Q10= 2025.208 |
Centrala de dozare

Figura 3.19 Bilantul pe centrala de dozare
Brac : xrefilare uscata=150.48 kg/h
xbrac uscat=261.037 kg/h
xbrac umed=266.399 kg/h
xrefilare umeda=240.7
xfibraB=xrefilare uscata+ xbrac uscat+ xbrac umed+xrefilare umeda
xfibraB=![]()
![]()
Se adopta cbrac=2.5%
![]()
Cantitatea de celuloza adusa in centrala de dozare,xfibra :
xfibra=x11-xfibraB
![]()
![]()
![]()
Cantitatea de celuloza de rasinoase adusa in centrala de dozare,xR :
![]()
![]()
cR=3.5%
![]()
Cantitatea de fibra secundara adusa in centrala de dozare xM :
![]()
cM=3.5%
![]()
Cantitatea de agent de incleiere adusa in centrala de dozare,la un adaos de 5 kg/t
![]()
Volumul emulsiei de agent de incleiere adus in centrala de dozare,m3
cclei=350g/L
![]()
Cantitatea de sulfat de aluminiu adusa in centrala de dozare la un adaos de 15 kg/t :
![]()
Volumul solutiei de sulfat de aluminiu adusa in centrala de dozare :
cs=100 g/L
![]()
Cantitatea de apa pentru aducerea consistentei la valoarea cam :
![]()
![]()
![]()
Bilantul pe centrala de dozare
Tabelul 3.9
|
Denumire |
Material a.u , kg/h |
Volum , m3/h |
|
Celuloza rasinoase Fibra secundara Brac Clei Sulfat de aluminiu Apa de dilutie |
xR=10783.1064 xM=2695.7766 xfibra B=918.616 xclei=71.987 xS=215.962 |
QR=308.088 QM=77.022 Qbrac=36.745 Qclei=0.206 QS=2.16 W3=55.696 |
|
Total intrari |
|
|
|
Pasta la cutia de diluare |
x11=14397.499 |
Q11=479.917 |
|
Total iesiri |
|
|
3.4.4. Consumuri specifice
Din bilantul de materiale se calculeaza toate materiile prime si materialele in unitatea de masa sau volum pe tona de hartie produs finit.
1. Celuloza sulfat din rasinoase: xR=10783.1064 kg/h
Consumul de celuloza din rasinoase:
t/t produs finit
2. Pasta de maculatura : xM=2695.7766 kg/h
Consumul de pasta din maculatura :
t/t produs finit
3. Brac: xfibra B=918.616 kg/h
Consumul de brac :
t/t produs finit
4 . Clei de colofoniu: xclei=71.987 kg/h
Consumul de clei de colofoniu:
t/t produs finit
5. Sulfat de aluminiu: xS=215.962 kg/h
Consumul de sulfat de aluminiu:
t/t produs finit
CAPITOLUL IV
PROIECTAREA UTILAJELOR
Alegerea tipului de utilaj
Calcule de dimensionare pentru hidrapulper
1. Date de proiectare
- necesarul de capacitate de destramare , kg/h :
xR=10783.106 kg/h
Se iau 2 hidrapulpere : xR=5391.55 kg/h
- consistenta de destramare ,% :
c=7% (functionare discontinua)
- durata ciclului total(dozare +destramare+golire) , s :
τ=1200 s
2. Calculul volumului util al hidrapulperului
Volumul util al hidrapulperului se calculeaza cu formula :
Se adopta pe baza volumului util un hidrapulper tip VS fabricat de firma Voith Sulzer-Austria cu urmatoarele caracteristici constructive :
- volumul util, m3 : Vu=26 m3
- consistenta pastei , % : cH=7 %
- diametrul nominal , m : D=4.368 m
- inaltimea totala a cuvei , m , : h1=3.10 m
- inaltimea reazemelor , m ,: h2=1.84 m
- puterea efectiva , kw , : Ne=150 Kw
- puterea instalata a motorului , kw , : N=170 Kw
3.Calculul puterii efective de destramare ,Kw
Turatia rotorului, rot/min , : n=370 rot/min
Se calculeaza diametrul rotorului,mm :
![]()
Puterea efectiva de destramare se calculeaza cu formula :
![]()
4.Calculul puterii instalate a motorului ,N, Kw :
Randamentul sistemului de transmisie : ![]()
Puterea instalata se calculeaza cu formula :
![]()
![]()
Calcule pentru adoptarea enstiperelor
1.Necesarul de capacitate pe linia de macinare a celulozei de rasinoase :
![]()
![]()
![]()
![]()
Se adopta pe baza valorii capacitatii de productie 3 enstipere tip E2K fabricat de firma Voith-Sulzer cu urmatoarele caracteristici constructive :
- capacitatea maxima , t/24h : Gmax=100(120) t/24h
- consistenta pastei , % : cH=4.5 %
- debit , l/min : Vmin=500-2000 l/min
- puterea instalata a motorului , Kw : N=132(160) Kw
- turatia , rot/min : n=1500 rot/min
2.Necesarul de capacitate pe linia de destramare a bracului , t/24h :
![]()
![]()
![]()
Se adopta pe baza valorii capacitatii de productie un enstiper tip E0 fabricat de firma Voith-Sulzer cu urmatoarele caracteristici constructive :
- capacitatea maxima , t/24h : Gmax=20 kg/24h
- consistenta pastei , % : c=6
- debit , l/min : Vmin=50-250 l/min
- puterea instalata a motorului , Kw , N=22 Kw
- turatia , rot/min : n=3900 rot/min
Calcule pentru dimensionarea hidrapulperului pentru brac
1.
Date de proiectare ![]()
- necesarul de capacitate de destramare , kg/h
xbrac uscat=261.03 kg/h
xrefilatura uscata=150.48 kg/h
- consistenta la destramare , % : cH=3 %
- durata destramarii ,s : τ=1800 s
2.Calculul volumului util al hidrapulperului , Vu, m3
![]()
![]()
Se adopta pe baza valorii volumului util un hidrapulper cu ax orizontal tip AK fabricat de firma Voith Sulzer cu urmatoarele caracteristici constructive :
- volumul util , m3 : Vu=8 m3
- consistenta pastei , % : c=3%
- dimensiunile cuvei ,mm : b1=3000 mm
l1=1775 mm
- dimensiune gabarit sistem antrenare , mm : l2=1235 mm
- inaltimea totala a cuvei , h , mm : h=1800 mm
- puterea efectiva , Kw : Ne=90 Kw
- puterea instalata a motorului , Kw : N=110 Kw
Proiectarea morilor conice tip Conflo de pe linia de fibra lunga
1.Date de proiectare
- capacitatea de productie a morii ,kg/h :
![]()
![]()
![]()
- sortul de hartie : hartie strat neted
- sortul de celuloza : celuloza sulfat neinalbita din rasinoase
2.Calcule de dimensionare
Alegerea marimii morii in functie de capacitatea de productie si tipul de celuloza :
Se alege moara Conflo JC-03 cu urmatoarele dimensiuni constructive :
- diametrul mic al rotorului , m : Dm=0.410 m
- diametrul mare al rotorului , m : DM=0.75 m
- lungimea rotorului , m : b=0.470 m
- generatoarea rotorului ,m : l=0.500 m
- conicitatea morii , grd :
=20o ,
=2
![]()
=40o
3. Calculul caracteristicilor constructive garniturii de macinare
3.1 Stabilirea grosimii,pasul si proeminentei cutitelor de pe rotor respectiv stator :
- grosimea cutitelor :
=0.0045 m ,
r=
,
s=![]()
- latimea
canalelor :
1=4.5 mm=0.0045 m
- pasul cutitelor : xr=
r+![]()
xr=0.009 m
xs=
s+![]()
xs=0.009 m
- proeminenta cutitelor (adancimea canalelor)
-)de pe rotor cr=0.01 m
-)de pe stator cs=0.01 m
- unghiul de inclinare al
cutitelor pe rotor(fata de generatoare) :
=18o
3.2 Calculul lungimii de impact
![]()
3.3 Calculul incarcarii specifice pe suprafata , SSL , J/m2
![]()
![]()
3.4 Calculul numarului de impacte , IN , Km/Kg din valoarea energiei specifice de macinare
![]()
![]()
3.5 Calculul lungimii taietoare Lt, Km/s
![]()
![]()
![]()
![]()
3.6 Calculul diametrului rotorului cu cutite , D2, m :
![]()
![]()
3.7 Calculul numarului de cutite de pe rotor la diametrul mediu(ponderea latimii canalelor este 20%)
=![]()
3.8 Calculul lungimii taietoare pe revolutie ,m :
![]()
3.9 Calculul lungimii taietoare pe revolutie ,m/rev :
![]()
![]()
3.10 Calculul turatiei ,rot/min
![]()
![]()
4.Calculul caracteristicilor functionale ale morii
Lungimea taietoare a morii , m/s :
![]()
Calculul suprafetei de contact dintre cutite ,m2 :

Calculul coeficientului numeric :
![]()
Calculul puterii utile de macinare , Nu ,Kw :
![]()
Calculul puterii totale si a randamentului morii :
Puterea la mers in gol ,Kw : Nn=215 Kw
Puterea la cuplajul de actionare a morii conice ,Kw :
![]()
Puterea motorului de actionare a morii conice ,Kw :
- randamentul de
transmisie
=0.99
![]()
-randamentul energetic al morii conice ,% :
![]()
Proiectarea liniei de macinare a celulozei din rasinoase
1.Date de proiectare :
- necesarul de capacitate pe linia de macinare :
xr=10783.106 Kg/h
-consumul specific de energie neta la macinare :
Wsp=150KWh/t
- gradul initial de macinare al celulozei de rasinoase
Ii=12oSR
- gradul final de macinare
If=24oSR
Cresterea gradului de macinare :
![]()
2.Calculul consumului de putere pe linia de macinare de fibra lunga :
![]()
3.Calculul numarului de rafinoare Conflo
![]()
![]()
Se accepta o configuratie de 3 rafinoare Conflo inseriate fiecare asigurand o crestere a gradului de macinare cu 4oSR
Calcule de dimensionare a sistemului de sortare si epurare a pastei
1.Alegerea tipului de centriclinere pentru epurarea pastei de hartie
Se alege centriclinerul tip KS250/2R produs de firma Voith-Sulzer cu urmatoarele caracteristici constructive
- debitul de pasta la alimentare :Vs=2000 l/min
- caderea de presiune : Pe=0.6 bar
- consistenta pastei ,% : optima c=0.5-0.6 %
: maxima c=1.4 %
2.Calculul numarului de centriclinere din fiecare treapta
- debitul de pasta alimentat in treapta I , m3/h :
![]()
-) numarul de centriclinere din treapta I :
![]()
- debitul de pasta alimentat in treapta a II-a ,m3/h :
![]()
-) numarul de centriclinere din treapta a II-a
![]()
- debitul de pasta alimentat in treapta a III-a , m3/h
![]()
-) numarul de centriclinere din treapta a III-a
![]()
3.Alegerea si calculul numarului de sortizoare vibratorii tip Jonson
Se alege in functie de capacitatea de sortare 2 sortizoare vibratorii tip 1000K montate in paralel avand urmatoarele caracteristici :
- capacitate de
sortare,t/24h : G=24t/24h
- consistenta de functionare , % : c=1.5 %
- caracteristici geometrice , mm :
AB=1000 mm
b1=1800 mm
h1=850 mm
h2=2700 mm
l1=2540 mm
l2=1270 mm
4. Alegerea aparatului tip selectifiner
Debitul de pasta accept ce alimenteaza cutia de lansare ,m3/h
Q=2451.95 m3/h
Se alege in functie de capacitatea de sortare un aparat tip III cu urmatoarele caracteristici :
- capacitatea de sortare, l/min : Qs=4940 l/min
- consistenta de functionare , % : c=0.65 %
- diametrul perforatiilor , mm :
=1.6-1.8
- puterea utila , KW : Pu=40 KW
- puterea instalata, KW : P=45KW
- turatia motorului , rot/min : n=740 rot/min
Calcule de dimensionare a rezervoarelor de pasta
1.Dimensionarea rezervoarelor de pasta de pe linia de macinare fibra lunga
Calculul rezervorului de stocare si omogenizare a pastei dupa destramare in hidrapulper
- debitul orar de pasta alimentat in rezervor , m3/h
xR=![]()
- consistenta pastei, % : cH=3,5 %
![]()
- timpul de stationare al pastei in rezervor , min :
![]()
- volumul util al rezervorului de pasta , m3 :
![]()
Se alege ca tip constructiv un rezervor de pasta vertical cu agitator tip elice cu urmatoarele caracteristici dimensionale :
- capacitatea rezervorului , m3 : V=155 m3
- latimea canalului de recirculare , m : b=5.36 m
- inaltimea utila a canalului de recirculare , m : h=5.36 m
- lungimea cuvei rezervorului , m : lc=5.36 m
-
diametrul elicei agitatorului , m :
=1.50 m
- turatia agitatorului , rot/min : n=185 rot/min
- puterea instalata a motorului , KW : P=75 KW
- turatia motorului , rot/min : N=730 rot/min
2.Calculul rezervorului masinii de hartie
- debitul orar de pasta alimentat in rezervor , m3/h :
Q11=
x11=![]()
- consistenta pastei , % : c=3-3.5 %
-
timpul de stationare al pastei in rezervor , m3 :
=35 min
Volumul util al rezervorului de pasta , m3 :
![]()
Se alege ca tip constructiv un rezervor de pasta rectangular vertical cu urmatoarele caracteristici dimensionale :
- capacitatea rezervorului , m3 : V=155m3
- latimea rezervorului , m : B=5.37 m
- inaltimea utila , m : H=5.37 m
- lungimea cuvei rezervorului , m : L=5.37 m
- diametrul elicei agitatorului , m :
=1.50 m
- turatia agitatorului , rot/min : n=185 rot/min
- puterea instalata a motorului , KW : P=75KW
- turatia motorului , rot/min : N=730 rot/min
Se iau 2 rezervoare cu capacitatea V=155m3
3 .Calculul rezervorului de amestec al centralei de dozare
Q11=479.91 m3/h , x11=
- consistenta pastei , % : cH=![]()
- timpul de stationare al pastei in
rezervor , min :
=5 min
Volumul util al rezervorului de pasta , m3 :
![]()
Se alege ca tip constructiv un rezervor de pasta rectangular vertical cu urmatoarele caracteristici constructive :
- capacitatea rezervorului , m3 : V=40 m3
- latimea rezervorului , m : B=3.42 m
- inaltimea utila , m : H=3.42 m
- lungimea cuvei rezervorului , m : L=3.42 m
- diametrul elicei agitatorului , m :
=0.900 m
- turatia agitatorului , rot/min : n=265 rot/min
- puterea instalata a motorului , KW, : P=37KW
- turatia motorului , rot/min : N=975 rot/min
4.Calculul rezervorului de stocare si omogenizare a bracului
- debitul orar de pasta alimentat in rezervor , m3/h :
QB=36.745 m3/h xfibra B=918.616 Kg/h
- consistenta pastei , % : cR=2.5 %
- timpul de stationare al pastei
in rezervor , min :
=60 min
Volumul util al rezervorului de pasta , m3 :
![]()
Se alege ca tip constructiv un rezervor de pasta vertical cu urmatoarele caracteristici dimensionale :
- capacitatea rezervorului , m3 : V=40 m3
- latimea canalului de recirculare , m : b=3.42 m
- inaltimea utila a canalului de recirculare , m : H=3.42 m
- lungimea cuvei rezervorului , m :L=3.42 m
- diametrul elicei agitatorului ,
m :
=0.900 m
- turatia agitatorului , rot/min : n=265 rot/min
- puterea instalata a motorului , KW : P=37 KW
- turatia motorului , rot/min : N=975 rot/min
CAPITOLUL V
CONTROLUL, REGLAREA SI AUTOMATIZARE PROCESULUI TEHNOLOGIC
5.1. Controlul de calitate si pe faze de fabricatie
Principalii parametri tehnologici care trebuie controlati si reglati la prepararea pastei de hartie sunt: consistenta pastei in diferite puncte ale fluxului tehnologic, gradul de macinare al celulozelor dupa fiecare etapa de macinare si dupa morile de egalizare, debitul si proportia componentilor la centrala de dozare.
Controlul si reglarea consistentei
Consistenta constanta a pastei reprezinta o conditie de baza pentru functionarea utilajelor de macinare a epuratoarelor si masinii de fabricat hartie. Totodata, dozarea componentilor pastei in proportiile impuse de sortul si calitatea hartiei nu este posibila daca consistenta fiecarui semifabricat fibros nu este reglata.
Mentinerea constanta a consistentei se realizeaza cu ajutorul regulatoarelor montate in derivatie sau in serie pe circuitul paste (figura 5.1 ).

Figura 5.1 Schema de montaj a regulatoarelor de consistenta :
1- regulator de consistenta ; 2 - regulator de debit ; 3 - traductor ; 4 - mecanism executiv ;
5 - pasta cu consistenta reglata
In prima varianta, numai o parte a circuitului de pasta este trecuta prin regulatorul de consistenta si precizia reglarii este mai mica. La aceasta contribuie si faptul ca pasta, dupa ce paraseste regulatorul, se intoarce in rezervorul de depozitare. Prin montarea in serie a regulatorului, intreaga cantitate de pasta trece prin acesta si precizia reglarii este mai ridicata. In ambele cazuri se recomanda ca materialul debitat in regulator sa aiba o consistenta de cca. 0,1 - 0,3% mai mare decat cea prestabilita. Aceasta situatie impune reglarea consistentei in doua sau trei trepte: in atelierul de macinare si nemijlocit inaintea masinii de fabricatie.
In prezent, in industria hartiei se folosesc diferite tipuri constructive de regulatoare de consistenta dar toate se bazeaza pe acelasi principiu si anume: dependenta dintre consistenta si viscozitatea cinematica a pastei. Variatia acesteia din urma serveste ca impuls pentru reglarea consistentei. Totusi viscozitatea cinematica depinde nu numai de consistenta pastei ci si de natura materialului fibros, gradul de macinare. Din aceasta cauza este necesara etalonarea regulatoarelor de consistenta pentru conditiile concrete in care functioneaza.
Destramarea si individualizarea materialelor fibroase
Semifabricatele fibroase furnizate sub forma de foi sau suluri, cu consistenta ridicata sau in stare uscata sunt supuse unei operatii de destramare si individualizare, premergator macinarii. Aceasta operatie se realizeaza in hidrapulpere, utilaje utilizate pentru destramarea bracului si maculaturii. Hidrapulperele sunt utilaje indispensabile pentru circuitele de preparare continua sau semicontinua a pastei de hartie.
Schema din figura 5.2 ilustreaza aparatura de baza pentru controlul si reglarea parametrilor tehnologiei la un hidrapulper pentru destramarea celulozei. Nivelul in hidrapulper este controlat prin reglarea pozitiei vanei cu trei cai, LV-2. Regulatorul de nivel LRC-1 primeste semnalul de la traductorul LT-1 si pozitioneaza vana in asa fel incat o parte din debitul de pasta sa fie reciclat in hidrapulper.

Figura 5.2 Aparatura de masura, reglare si control la un hidrapulper pentru destramarea celulozei
Consistenta pastei evacuate este masurata de elementul sensibil CE-2, marimea fiind transmisa la regulatorul CRC-2 prin intermediul traductorului CT-2. Regulatorul CRC-2 comanda pozitia vanei CV-2 de pe conducta de apa de dilutie, astfel ca sa mentina consistenta la valoarea prescrisa pentru operatia urmatoare.
Daca din anumite motive, consistenta in hidrapulper creste pana la un anumit nivel la care vana CV-2 este complet deschisa, un comutator pentru inalta consistenta, HCS-2, localizat pe linia semnalului de comanda a regulatorului CRC-2, sesizeaza situatia si energizeaza valva - solenoid SV-1 de pe conducta de apa pentru dilutie suplimentara, comandand deschiderea vanei CV-2A. Adaosul de apa de dilutie pe linia suplimentara se face pana cand valoarea consistentei in hidrapulper permite inchiderea vanei CV-2 pana la pozitia normala de operare in domeniul de reglaj a regulatorului de consistenta. Apoi, comutatorul HCS-2 inchide valva secundara CV-2A. Cantitatea de apa introdusa pe linia suplimentara de dilutie se regleaza manual, HIC-2.
Daca in timpul dilutiei secundare, nivelul in hidrapulper devine prea ridicat, comutatorul de nivel ridicat, HLS-1 localizat pe linia semnalului traductorului LT-1, va dezenergiza valva - selenoid, SV-1 si va inchide vana CV-2A.
La regulatorul de consistenta CRC-2 este atasat si un comutator de joasa consistenta, LCS-1 care sesizeaza situatiile cand consistenta este prea mica si iese din domeniul de control. In acest caz, comutatorul LCS-2 actioneaza asupra valvei - selenoid SV-2, care comanda mentinerea vanei LV-2 pe pozitia recirculare pana consistenta in hidrapulper creste la o valoare corespunzatoare domeniului de reglaj.
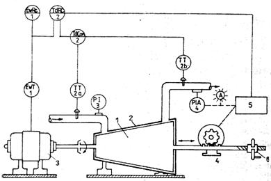
Controlul procesului de macinare
Calitatea pastei macinate se apreciaza prin gradul de macinare, viteza de deshidratare, lungimea medie a fibrelor, suprafata si volumul specific, capacitatea de retinere a apei ( W.R.V.), precum si prin analiza vizuala a fibrelor cu ajutorul microscopului sau a aparatelor de proiectie.
Pentru determinarea lungimii medii a fibrelor se poate utiliza metoda microscopica, dar aceasta necesita multa experienta din partea operatorului si timp indelungat. De aceea, in prezent o larga raspandire o au aparatele de clasare, care separa pasta in fractiuni, utilizand site cu ochiuri calibrate.
Se deosebesc lungimea medie aritmetica a fibrelor, calculata cu relatia:
si medie
ponderala, data de relatia:
, in care:
li - este lungimea fibrelor, mm
pi - greutatea procentuala a fiecarei fractiuni
n - numarul de fibre luate in analiza.
Lungimea medie aritmetica a fibrelor este mai putin semnificativa. Ea nu tine seama de continutul in greutate a fiecarei fractiuni, deoarece este putin probabil ca fibrele sa aiba acelasi diametru.
Gradul de fibrilare si hidratare a fibrelor in procesul de macinare poate fi evidentiat prin masurarea suprafetei si volumului specific. In acest scop se poate utiliza, fie metoda argintometrica, fie metoda permeabilitatii la gaze sau la apa.
Procesul de macinare poate fi urmarit cu precizie mai mare decat pe baza gradului de macinare SR prin capacitatea de retinere ( cifra WRV) a apei. Este vorba de cantitatea de apa care este retinuta intr-o proba de material, dupa centrifugare, timp de 15 minute cu o forta centrifuga de 3000 g. Cifra WRV caracterizeaza cu suficienta precizie starea de hidratare a fibrei, respectiv indica stadiul de fibrilare si este practic independenta de starea fibrelor. Ea prezinta un criteriu de apreciere indirecta a volumului specific al fibrei.
Controlul si reglarea macinarii in flux continuu.
Dintre utilajele moderne destinate macinarii materialelor fibroase, morile conice si rafinoarele cu discuri sunt principalele care se utilizeaza curent in practica industriala. Ambele tipuri de utilaje au drept componente de baza elemente active stationare si mobile si ca urmare instrumentele de control si reglare sunt similare.
Automatizarea operatiei de macinare se asigura prin masurarea a diferiti parametri, cum ar fi: puterea preluata de motorul de antrenare a rotorului, temperatura pastei de-a lungul morii, gradul de macinare a celulozei. Frecvent, se recurge la o combinatie de parametri care permit reglarea automata a pozitiei rotorului.
In figura 5.3 este reprezentata o schema de control a macinarii la o moara conica, care se bazeaza pe masurarea puterii preluate de motorului de actionare si a diferentei de temperatura a pastei la iesirea si intrarea in moara conica. Principiul de control se bazeaza pe reglarea marimii lucrului mecanic consumat la macinare prin pozitionarea rotorului morii.
Elementele sensibile pentru masurarea temperaturii sunt localizate pe conductele de intrare si respectiv de iesire a pastei din moara.

Figura 5.3 Schema de reglare si control a functionarii unei mori conice, folosind ca parametru de baza diferenta de temperatura a pastei de-a lungul morii
In care :
1 - rotor ;
2 - stator ;
3 - motor principal de actionare a morii ;
4 - dispozitiv de pozitionare a rotorului ;
5 - comutator reversibil ;
6 - roata manuala
Traductoarele de temperatura TT-2a si TT-2b transmit valorile unui traductor diferential TdCon2-care transforma diferenta de temperatura inregistrata de-a lungul morii intr-un semnal, ce se transmite regulatorului diferential TdRC-2. Acesta emite un semnal tip impuls care actioneaza releul comutatorului reversibil de pornire a motorului dispozitivului de pozitionare a rotorului care deplaseaza rotorul inauntru sau afara, astfel ca sa mentine nivelul prescris al lucrului mecanic.
Puterea motorului principal de actionare al morii este masurata si transmisa de traductorul EwT-1 la regulatorul EwRC-1 si in acelasi timp regulatorului diferential de temperatura TdRC-2, fiind utilizata ca o marime suplimentara de control. Cand apare o suprasarcina, aceasta este detectata de regulatorul diferential intr-un interval de timp relativ mare, astfel ca pozitionarea rotorului se face cu intarziere. Regulatorul de putere detecteza suprasarcinile mult mai repede si transmite un semnal corespunzator regulatorului diferential de temperatura, care-l utilizeaza pentru ajustarea actiunii de control.
Indicatorul de presiune PI-3 se foloseste ca indicator al unor infundari acidentale sau intreruperi in alimentarea cu pasta a morii. Indicatorul cu alarma PTA-4 se utilizeaza in acelasi scop si totodata acesta comanda depresarea completa a rotorului in cazul intreruperii alimentarii, prin amplificarea semnalului de comanda dat de regulatorul TdRC-2 comutatorului reversibil.
Cand se utilizeaza gradul de macinare ca baza de control a functionarii morii conice, reglarea se poate efectua prin actionarea directa asupra motorului de pozitionare a rotorului, sau printr-un sistem de reglare in cascada, asa cum se arata in figura 5.4

Figura 5.4 Schema de reglare si control a functionarii unei mori conice, folosind ca parametru de baza gradul de macinare a celulozei
In care :
1 - rotor ;
2 - stator ;
3 - motor principal de actionare a morii ;
4 - dispozitiv de pozitionare a rotorului ;
5 - comutator reversibil ;
Un astfel de control al functionarii morii conice presupune utilizarea unui instrument pentru evaluarea gradului de macinare in flux continuu, acesta putand amplasat pe conducta de evacuare sau pe o conducta de by-pass. Regulatorul QRC-5 ajusteaza marimea de referinta a regulatorului diferential de temperatura TdRC-2, astfel incat va comanda deplasarea rotorului astfel incat sa se asigure gradul de macinare dorit.
Dozarea componentilor si omogenizarea pastei de hartie
Asa cum s-a aratat mai inainte, hartiile se obtin din unul sau mai multe semifabricate fibroase care satisfac atat cerintele de calitate impuse produsului finit, cat si aspectele economice. Totodata, in marea majoritatea cazurilor in compozitia hartiilor se introduc diferite materiale auxiliare - substante de incleiere si de umplere, diferiti aditivi - pentru a realiza proprietatile produsului finit sau pentru a imbunatati procesul de fabricare a hartiei. Atunci cand se folosesc mai multe semifabricate fibroase macinarea lor se separat numai daca raportul intre componenti este aproape unu. Cand unul dintre componenti este sub 20% macinarea in amestec este preferata din considerente economice.
La prepararea pastei de hartie pe sarje, fiecare component se introduce in cantitatea prestabilita intr-un rezervor de amestec sau direct in rezervorul masinii. Acest sistem de dozare se utilizeaza numai in cazul masinilor de capacitate mica la care se schimba des sortimentatia.
La fabricarea sortimentelor de masa se folosesc exclusiv sisteme de dozare cu functionare continua, dintre care cea mai mare raspandire o au sistemele de dozare cu debitmetre magnetice.
In figura 5.5 este reprezentata schema unui sistem de dozare continua a componentilor pastei de hartie cu debitmetre magnetice. Pentru fiecare component se foloseste o bucla de control constituita dintr-un debitmetru magnetic, un regulator de debit si o vana automata. Un regulator de nivel atasat rezervorului de amestec ajusteaza valoarea prescrisa a regulatorului de debit, astfel ca proportionarea componentilor sa corespunda retetei.

Figura 5.5 Schema unui sistem de dozare continua a componentilor pastei
Regulatorul LRC-9 mentine nivelul in rezervorul masinii prin intermediul vanei automate LV-9, in functie de debitul necesar la alimentarea masinii. Debitul de pasta transmis de traductorul FT-8 este inregistrat pe FR-8, elementul sensibil fiind diafragma FE-8. Regulatorul de nivel LRC-1 mentine constant nivelul in rezervorul de amestec ca raspuns la debitul de pasta evacuat din acest rezervor la comanda regulatorului LRC-9. Astfel, nivelul in rezervorul de mestec reflecta schimbarile de debit la alimentarea masinii de fabricatie, iar regulatorul urmarind aceste schimbari isi modifica semnalul la mecanismul de proportionare localizat pe fiecare bucla de reglare a debitelor pentru: celuloza de rasinoase, FRRC-2, celuloza din foioase FRRC-3, brac FRRC-4, material de incleiere FRRC-5, aditiv de retentie, FRRC-6, material de umplere FRRC-7 si alti aditivi.
Dispozitivul de proportionare regleaza valoarea prescrisa la fiecare regulator in concordanta cu debitul total de pasta. Debitele fiecarui component sunt masurate de debitmetrele FT-2, FT-3, FT-4, FT-5, FT-6, FT-7. aceste semnale de debit fiind transmise regulatoarelor respective, care comanda pozitia vanelor automate: FV-2, FV-3, FV-4, FV-5, FV-6 si FV-7.
In toate sistemele de dozare consistenta constanta a pastei intrate reprezinta o conditie fundamentala pentru buna functionare a sistemului. De aceea premergator centralei de dozare se realizeaza reglarea separata a consistentei tuturor componentilor pastei de hartie.
Masina de fabricat hartie trebuie alimenta continuu si uniform cu pasta ceea ce impune crearea unui stoc tampon in circuitul de preparare a pastei. Prin aceasta creste si gradul de uniformitate a pastei, in special in cazul folosirii holendrelor pentru macinarea semifabricatelor fibroase.
Rezervorul de omogenizare este construit din beton ( sclivisit sau faiantat in interior ) sau din otel inoxidabil si prevazut cu un dispozitiv adecvat pentru agitarea pastei, cu palete, cu elice sau circulatie exterioara prin pompare.
Rezervoarele de omogenizare sunt de forma cilindrica sau paralelipipedica, verticale sau orizontale.
La alegerea rezervoarelor de omogenizare trebuie sa se tina seama de urmatoarele conditii:
variatia consistentei pastei in diferite puncte ale rezervorului sa fie mai mica de 0,1%;
amestecarea pastei care se introduce cu cea care se gaseste in rezervor trebuie sa se realizeze intr-un interval de timp cat mai scurt ;
agitarea pastei sa fie uniforma pe intreaga sectiune si inaltimea rezervorului sa nu se formeze locuri in care pasta sa nu circule;
sa se evite aerarea pastei.
Volumul rezervoarelor de omogenizare este determinat de capacitatea de productie a masinii de fabricatie si de sistemul de preparare al pastei si poate fi calculat cu relatia :
V = Q t / f unde,
V - volumul rezervorului, m3 ;
Q - debitul de pasta alimentat in rezervor, m3/min. ;
t - durata necesara pentru uniformizarea continutului, gradului de macinare si a altor caracteristici ale pastei, min. ;
f - coeficientul care tine seama de gradul de uniformitate al pastei, inainte si dupa omogenizare.
In figura 5.6 este reprezentata dependenta dintre coeficientul f, volumul specific si gradul de uniformitate al pastei dupa si inainte de omogenizare din care se vede ca, cu cat sunt mai mari variatiile in timp ale gradului de macinare si consistentei la prepararea pastei de hartie cu atat volumul rezervoarelor este mai ridicat.

Figura 5.6 Dependenta intre volumul rezervorului de omogenizare si gradul de uniformitate al pastei
In practica, volumul rezervorului de omogenizare este calculat astfel incat sa asigure functionarea masinii de fabricatie timp de 0,5 - 1h in cazul prepararii continue a pastei si 2 - 4h la prepararea discontinua.
Rezervoarele de omogenizare cu agitator tip elice au in prezent cea mai larga utilizare. Ele au diferite forme constructive si asigura o buna omogenizare a pastei la consistente cuprinse intre 2 si 6%.
Controlul parametrilor la epurarea pastei
Schema de reglare si control este prezentata in figura 5.7 care contine o schema detaliata a unui circuit de epurare, care cuprinde trei trepte de sortare a pastei papetare in centriclinere.

Figura 5.7 Schema de control a parametrilor tehnologici la epurarea pastei de hartie in centriclinere
Pompa de inalta presiune alimenteaza pasta la treapta a I a centriclinere. Pe conducta principala de alimentare se afla indicatorul de presiune PI-1, iar presiunea se regleaza la valoarea prestabilita (2,5 - 3 105 N/m2), prin bucla PT-4, PRC-4, PV-4. Vana de reglare automata a presiunii PV-4, se gaseste amplasata pe by-pass-ul de reciclare a pastei la aspiratia pompei de inalta presiune, unde se aduce materialul din rezervorul masinii si apa grasa de dilutie.
Pasta alimentata sub presiune in fiecare aparat, datorita sectiunii conice parcurge un drum in spirala astfel ca in centrul centriclinerului se creeaza un usor vacuum, care poate determina aerarea pastei. Pentru a evita acest efect nedorit, uneori la treapta intaia se aplica vacuum pe conducta de refuz. Valoarea vacuumului este indicata de PI-2 si nivelul in rezervorul (2), conectat la pompa de vacuum, se controleaza cu bucla LT-3, LRC-3, LV-3. Vana automata LV-3 se gaseste amplasata pe conducta de dilutie a refuzului de la aspiratia pompei, care alimenteaza treapta a II a centriclinere.
La treptele II si III se indica presiunea pe conductele de alimentare, si accept, indicatoarele fiind amplasate convenabil pentru ghidarea operatorului.
Rezervorul de colectare a refuzului de la treapta a II a este prevazut cu un regulator de nivel cu indicator LIC-5, care mentine constant nivelul actionand vana LV-5 de pe conducta de refulare a pompei de dilutie cu apa grasa.
Pentru selectifinere instrumentatia de control este foarte simpla si in general consta dintr-un manometru pe conducta de alimentare a spriturilor de apa pentru curatarea sitei si un indicator de nivel.
CAPITOLUL VI
UTILITATI; PRODUSE SECUNDARE VALORIFICAREA PRODUSELOR SECUNDARE, PROTECTIA MEDIULUI
In afara de materiile prime si auxiliare , pentru obtinerea industriala a oricaror produse sunt necesare utilitati, agenti indispensabili intregului proces.
Economicitatea intregului proces tehnologic, tradusa prin costul de productie al produselor finite, poate fi influientata de disponibilitatile pe amplasamentul ales:
apa;
abur;
erergie
electrica.
Apa
Se stie ca industria hartiei este una din marile consumatoare de apa.Ca urmare, amplasarea fabricilor se face in functie de disponibilitatile de apa din zona,dar si in functie de calitatea apei.
Dupa modul de utilizare deosebim:
- apa tehnologica ce intra direct in procesul de fabricatie;
- apa de racire sau de incalzire;
- apa potabila folosita la instalatii sanitare, birouri, laboratoare;
- apa de incendiu.
Apa utilizata in scopuri tehnologice poate fi apa dedurizata sau demineralizata.
Apa de racire poate proveni din fantani de adancime , temperatura ei se mentine intre 10-15oC in timpul anului, sau apa de la turnurile de racire, cand se recircula, avand temperatura in timpul verii de 25-30oC.Temperatura apei la iesirea din aparate nu trebuie sa depaseasca 50oC.Racirile cu apa industriala se pot realiza pana la 35-40oC.
Apa ca agent de incalzire poate fi:
- apa calda cu temperaturi pana la 90oC;
- apa fierbinte, sub presiune cu temperaturi intre 130-150oC
Apa este un agent termic cu capacitate calorica mare, usor de procurat.Pentru incalzire se prefera apa dedurizata pentru a se evita depunerile de piatra .
Energia electrica
Aceasta reprezinta una din cele mai folosite forme de energie din industria chimica datorita usurintei de transport la distante marisi la puncte de consum, cat si randamentelor mari cu cite poate transformata in alte fome de energie: energie mecanica, termica sau luminoasa.
Energia elecrica este folosita si la incalzire prin transformarea in caldura, folosind mai multe tehnici:
- trecerea curentului prin rezistentele electrice;
- folosirea curentilor de inalta frecventa,medie si mica;
- folosirea pierderilor dielectrice.
Avantajul incalzirii electrice consta in reglarea usoara a temperaturii, posibilitatea reglarii caldurii intr-un punct, introducerea unei cantitati mari de caldura intr-un volum mic, realizarea unei incalziri directe fara impurificareamediului si la orice presiune.
Dezavantajele utilizarii energiei electrice il constituie costul ridicat si impunerea unor masuri speciale de protectie a muncii.
Alimentarea cu energie electrica se face de la sistemul national sau de la grupurile electrogene (in caz de avarie).
Atelierul de preparare a pastei de hartie este conectat la reteaua de curent trifazat cu tensiunea de 380V si frecventa 50Hz si la reteaua de curent bifazat cu tensiunea de 220V si frecventa 50Hz.
Curentul preluat este tranformat la 380V, fiind utilizat la aceasta tensiune la alimentarea electromotoarelor, pentru iluminat si pentru instalatiii de automatizare se foloseste curent de 220V. Pentru alimentarea motoarelor agitatoarelor de la rezervoarele de amestec se recomanda folosirea curentului continuu, fiind necesara o redresare; asfel se poate obtine o buna reglare a turatiei in functie de conditiile reologice.
In cadrul sistemului de alimentare cu energie electrica exista si baterii de acumulatoare care genereaza curent, constitutind sursa de curent independenta.
Aerul comprimat
Aerul comprimat se obtine la o statie speciala de comprimare.El este folosit pentru actionarea aparatelor de masura si de reglare.
Valorificarea produselor secundare, protectia mediului
Principalul deseu rezultat la prepararea pastei pentru fabricarea hartiei este apa grasa. Substantele organice in suspensie si dizolvate in apele grase sunt in buna parte hidrodegradabile si sunt evacuate din fabrica in lacuri sau rauri ele constituind poluanti puternici.Astfel din circuitul de fabricatie a hartiei vor fi eliminate in apele reziduale cantitati insemnate de materiale fibroase si auxiliare, afectand mediul inconjurator si pretul de cost al hartiei.
Conform STAS 1481-76 procesul de epurare a apelor uzate consta in indepartarea din ele a substantelor toxice, microorganismelor, etc. in scopul protectiei mediului ambiant si in primul rand a emisarului (raul care le preia dupa epurare) si a solului. O epurare corecta trebuie sa asigure conditii pentru folosirea in continuare a apei din raurile in care varsa efluentul de la statiile de epurare pentru alimentari cu apa, piscicultura, agricultura, etc.
Ca optima masura, STAS 1481 - 76 prevede ca apele uzate sa fie evacuate intotdeauna in aval de punctele de folosinta. De asemenea, STAS 4706-74 stabileste o serie de conditii tehnice de calitate care trebuie sa le indeplineasca amestecul dintre apa uzata si a emisarului in aval de punctul de evacuare a apelor uzate, astfel incat folosintele in aval sa nu fie afectate.
Epurarea apelor reziduale se realizeaza in statii de epurare, acestea facand parte integranta din canalizarea orasului sau a industriei. Apele uzate industriale sunt emise in reteaua de canalizare numai daca indeplinesc anumite conditii stabilite de "Normativul privind conditiile de descarcare a apelor uzate in retelele de canalizare a centrelor populate" N-2-70(C-90-70).
Atelierul de praparare a pastei de hartie este mare consumator de apa.Reducerea consumului de apa proaspata si a cantitatilor de ape grase evacuate, impune rationalizarea circuitelor de apa in cadrul sectiei.Suspensia de fibra si materiale auxiliare in apa trebuie intoarsa sistematic in fluxul tehnologic in punctele unde poate fi acceptata.
Un prim punct: diluarea pastei inaintea cutiei de lansare.Materialele sub forma de suspensie din apele grase nu difera calitativ de cele din pasta si deci nu vor crea dificultati de ordin tehnologic. Totusi, volumul total de apa grasa rezultat la partea umeda a masinii depaseste necesarul pentru diluarea pastei si deci pentru reducerea incarcarii instalatiei de limpezire este indicat sa fie alimentate cu ape garse cu continut de materiale in suspensie redus.
Apele grase vor fi supuse epurarii prin filtrare, decantare sau flotatie folosind epuratoare.Se realizeaza o epurare primara si apoi o epurare secundara. Namolurile rezultate la epurarea secundara au substante solide dominant fibre la care se adauga si alte materiale auxiliare.Deoarece aceste namoluri au compozitie care nu difera calitativ, decat in mica masura de pasta din care au provenit, ele pot fi reintroduse in circuitul de fabricatie.
CAPITOLUL VII
STUDIU DE FEZABILITATE
Studiu de fezabilitate
Un element important in evitarea esecului unui proiect sau a unei afaceri este elaborarea studiului de fezabilitate.
Acesta reprezinta domeniul prin care ideea unui proiect este comunicata potentialilor parteneri sau finantatori.
Studiul de fezabilitate nu este un sir de calcule si tabele ci o modalitate de comunicare si organizare a unei idei.
Nu exista o stuctura standard a unui studiu de fezabilitate. Acesta are forme diferite in functie de scopul principal urmarit. Exista institutii care impun o anumita structura acestui studiu. Ceea ce este esential este ca studiul de fezabilitate sa aiba o coerenta interna bine justificata si sa contina toate elementele necesare judecarii proiectului in ansamblul sau.
Studiul de fezabilitate este organizat pe capitole. Fiecare dintre aceste capitole poate fi dezvoltat pe o pagina sau mai multe. Important este ca dupa lecturarea capitolului sa putem raspunde la intrebarile ce? unde? cand ? cine? cum? specifice metodei interogative, utilizate in practica manageriala.
7.1 Motivul
7.1.1 Istoricul proiectului
A .Descrierea ideilor de baza ale proiectului
Elaborarea acestui proiect, este o concretizare a dorintei de a face ceva util si de a valorifica cunostintele de specialitate dobandite. Este rezultatul valorificarii documentatiei din literatura de specialitate si al unei cercetari de laborator din ultimii ani de facultate.
S-a tratat proiectarea tehnologica a atelierului de preparare a pastei pentru fabricarea hartiei strat neted care asigura o productie de 90000t/an hartie strat neted avand gramajul de : q = 120g/m2 si utilizand ca materii prime celuloza sulfat de rasinoase in proportie de 80 % si maculatura 20 %.
B . Necesitatea si oportunitatea proiectului.
In Romania, consumul de hartie in perioada 2000-2007 a crescut cu 35%, de la 30 kg/locuitor in 2000 la 37 kg/locuitor in 2007. Consumul de hartie al Romaniei se mentine totusi foarte scazut in comparatie cu tarile dezvoltate.
Acestea sunt motivele pentru care s-a ales ca tema pentru proiectul de diploma : proiectarea liniei de preparare a pastei pentru fabricarea hartie strat neted cu o capacitate de 90000 t/an.
Piata potentiala o reprezinta tipografiile si distribuitorii de produse de papetare atat din Romania, cat si din Europa de Est si de Sud - Est.
C . Capacitatea de productie proiectata
Conform temei de proiectare Cp= 90000 t/an
7.1.2. Initiatorul proiectului
A . Numele si adresa initiatorului
Facultatea Inginerie Chimica
Catedra TCHFP
Splai Bahlui
B . Numele si adresa executantului
Facultatea Inginerie Chimica
Sectia ITFH
Grupa 2506
Adresa Iasi str. Tudor -Vladimirescu
C . Posibilitati de finantare
Finantarea va fi asigurata dupa cum urmeaza: credite 100%.
D . Parteneri de realizare a proiectului
Proiectul este realizat de studenta Butnaru Petronela Mariana sub indrumarea cadrului didactic de proiect.
7.1.3. Initierea proiectului
A . Data declansarii proiectului
Tema de proiect a fost primita pe data de
B . Studii de investigare parcurse
Elaborarea proiectului se bazeaza pe cunostintele acumulate in timpul facultatii, pe consultarea bibliografiei de specialitate si pe elaborarea a trei proiecte tehnologic, de utilaj, de management.
C . Concluzii, decizii luate in urma studiilor anterioare
Documentarea facuta si proiectele intocmite anterior conduc la concluzia ca produsul, hartie strat neted, are calitatile cerute de piata si reale posibilitati de dezvoltare.
7.2. Piata
Cercetarea proprie
Marea majoritate tehnicilor cercetarii de piata necesita mult si cunostinte speciale de marketing. De aceea am recurs la o tehnica mai simpla care ne-a permis insa sa culegem un volum suficient de informatii. Intr-o prima etapa am identificat piata careia vrem sa ne adresam. Am discutat si ne-am consultat cu colegii, cadre didactice, cercetatori si specialisti chimisti si potentiali clienti. Am ajuns la concluzia ca produsul nostru este fezabil si ca va avea succes.
Dimensiunea pietii
A . Marimea compozitia cererii efective
In urma cercetarii intreprinse in cadrul proiectului de management apreciem ca produsul este cerut atat pe piata interna(50%) cat si externa(50%).
B . Estimarea cererii pe durata de viata a produsului
Timpul afectat elaborarii proiectului de diploma nu ne-a permis o evaluare a duratei de viata a produsului. Din documentarea in literatura de specialitate apreciem ca cel putin 20 de ani piata va absorbi cantitatea de 90000 t/an(capacitatea de productie din tema).
7.2.3 Programul de vanzari
A . Politica de distributie
Distributia produsului se va face
-40% retea proprie
-60% prin intermediari
B . Politica de pret
Pretul produsului se va stabili pe baza costurilor si a profitului planificat.
Daca va exista o concurenta slaba iar cerere va fi ridicata este posibil ca dupa 6 luni sa crestem pretul.
In cadrul politicii de preturi vom practica
- pret de lansare, practicat la lansarea produsului pe piata. Va fi mai mic decat pretul pietii ;
- pret unic, fixat pentru cumparatorii care vor cumpara de la noi produse in aceeasi cantitate anual, ;
- pret flexibil, fixat pe baza de negociere ;
- pret de lider, adoptat daca firma va atinge o pozitie dominanta pe piata
C .Comisioane, reduceri de pret acordate
Politica de preturi practicata include si acordarea unor reduceri de pret si a unor facilitati dupa cum urmeaza:
- reduceri de pret pentru vanzarea unor cantitati mari sau plata cash,
- bonificatii pentru clientii care pot face reclama produsului nostru,
- reduceri de pret pentru clientii fideli care vor cumpara produsul pe o perioada de cel putin un an.
D . Servicii si facilitati dupa vanzare
Avand in vedere specificul produsului nostru apreciem ca nu este cazul sa acordam servicii si facilitati dupa vanzare.
E . Estimarea veniturilor din vanzari
Pretul de vanzare este de 1,200 lei/kg, respectiv 1200 lei pe tona
Productia preconizata a se obtine este de 88000 t pe an
Veniturile din vanzari vor fi 105 600 000 lei/an.
F . Estimarea costurilor de vanzare
Costurile de vanzare sunt formate din cheltuieli pentru comisioane, reclame, pregatirea vanzarilor. Un calcul estimativ arata ca vor fi cuprinse intre 0,5-1% din pretul produsului.
G . Estimarea costului de distributie
Costul de distributie este format din costul de ambalare si comisioane. Reprezinta 0,2-0,5% din pretul produsului.
7.3 Programul de productie
7.3.1. Descrierea produsului tehnologic(schema bloc)
Schema bloc este prezentat in paragraful 3.4.
7.3.2. Structura de productie
Este prezentata in figura 7.1

![]()
![]()
![]()
![]()
![]()
![]()
![]()
![]()
![]()
Figura 7.1 Structura de productie a intreprinderii
7.3.3 Caracterizarea procesului tehnologic
Caracterizarea procesului tehnologic de baza sunt trecute in tabelul. 7.1
Caracteristicile procesului tehnologic de baza Tabelul 7.1
|
Nr. crt. |
Caracteristici |
Valori |
|
|
Felul procesului |
continuu |
|
|
Tipul productiei |
serie |
|
|
Destinatia produselor |
intern 50% si extern 50% |
|
|
Factori care influenteaza organizarea productiei |
- natura materiei prime; - natura procesului tehnologic; - natura produsului finit. |
7.4. Capacitatea de productie
7.4.1 Motivarea alegerii valorii capacitatii de productie (Cp)
Am stabilit pentru Cp o valoare de 90000t/an avand in vedere pragul de rentabilitate si posibilitatile pietii de a absorbi aceasta cantitate.
7.5. Materii prime si materiale .Utilitati
Necesarul de materii prime si materiale este determinat in capitolul VI
Necesarul de utilitati este stabilit in capitolul VI.
7.6. Conditii locale
7.6.1. Amplasament
Pentru determinarea amplasamentului optim al acestei instalatii, am avut in vedere, tinand seama de specificul produsului finit si al materiilor prime utilizate, urmatoarele criterii:
C1 apropierea fata de sursa de apa
tehnologica
C2 gradul de poluare al zonei
C3 asigurare cu forta de munca
calificata
Am considerat ca posibilitati de amplasare 4 variante:
V1
Iasi
V2 Ploiesti
V3 Bacau
V4 Roman
Analizand fiecare varianta din punct de vedere al fiecarui criteriu s-a intocmit matricea aprecierilor calitative:
Tabelul 7.2. Matricea aij
|
C V |
C1 |
C2 |
C3 |
|
V1 |
F.B |
B |
F.B |
|
V2 |
B |
N |
B |
|
V3 |
B |
F.B |
B |
|
V4 |
N |
B |
B |
In care: C- criterii; V-variante; F.B- foarte bun; B-bun; N- nesatisfacator
Transformand calificativele in note din scara 0÷1 obtinem matricea utilitatilor din tabelul 7.3 Tabel 7.3. Matricea a*ij
|
C V |
C1 |
C2 |
C3 |
|
V1 |
|
|
|
|
V2 |
|
|
|
|
V3 |
|
|
|
|
V4 |
|
|
|
|
Kj |
|
|
|
In care: 1=F.B; 0,5=B; 0=N; Kj =coeficient de importanta
Pentru
ierarhizarea criteriilor am stabilit coeficientii de importanta
Kj pentru fiecare criteriu in parte, astfel incat ![]()
Metoda Electre fundamenteaza decizia pe baza a doi indicatori:
a) de concordanta
b) de discordanta
a) Am determinat indicatorii de concordanta:
Indicatorul de concordanta intre doua variante de amplasare se defineste cu relatia:
(Vg,Vh)=![]()
- pentru a*gj >a*hj
Rezultatele sunt trecute intr-un tabel, tabelul 8.6.
Tabelul 7.4. Coeficientii de concordanta
|
|
V1 |
V2 |
V3 |
V4 |
|
V1 |
|
|
|
|
|
V2 |
|
|
|
|
|
V3 |
|
|
|
|
|
V4 |
|
|
|
|
b) Am determinat indicatorul de discordanta:
d (Vg,Vh)=
In care: d - ecartul sau distanta max dintre note
Tabelul 7.5. Indicatori de discordanta
|
|
V1 |
V2 |
V3 |
V4 |
|
V1 |
|
|
|
|
|
V2 |
|
|
|
|
|
V3 |
|
|
|
|
|
V4 |
|
|
|
|
c) Alegerea variantei optime. Se face diferenta dintre indicatorii de concordanta si cei de discordanta. Se face suma dintre acestei diferente pentru fiecare criteriu, cea mai mare valoare dintre aceste sume indica varianta optima.
Tabelul 7.6. Matricea diferentelor
|
|
V1 |
V2 |
V3 |
V3 |
|
V1 |
|
|
|
|
|
V2 |
|
|
|
|
|
V3 |
|
|
|
|
|
V4 |
|
|
|
|
Varianta optima este V3.
7.6.2. Organizarea transportului intern
7.6.2.1. Proiectarea obiectivelor transportului intern
Principalele obiective ale organizarii rationale a activitatii de transport intern sunt urmatoarele:
amplasarea rationala a depozitelor;
intocmirea unui plan optim de transport si urmarirea realizarii;
mecanizarea si automatizarea unor operatii de transport;
dimensionarea rationala a cailor de circulatie si acces;
intretinerea si exploatarea judicioasa a mijloacelor de transport din dotarea firmei: camioane, electro si motostivuitoare.
7.6.2.2. Stabilirea transporturilor care se realizeaza in intreprindere
Desfasurarea conducerii, productiei si a muncii in cadrul sistemului de fabricatie comporta o serie de operatii de transport pentru materiale, utilitati, informatii si personal.
a) Transportul materialelor
Avand in vedere specificul procesului tehnologic din cadrul intreprinderii in care se afla fabricare a pastei de hartie pentru hartie tipar, transportul intern se efectueaza in special in conducte pentru materiile prime folosite in sectiile de productie si mijloacele mecanizate ( autocare, benzi transportoare) pentru produsele finite.
In cadrul intreprinderii este o zona de depozitare formate din dozatoare pentru clei de colofoniu, sulfat de aluminiu spre sectiile de productie situata in aer liber .Transportul in functie de materialele transportate este asigurat in felul urmator( tabelul7.7 ):
Tipuri de mijloace de transport si de transporturi din cadrul intreprinderii proiectate
Tabelul 7.7
|
Nr.crt. |
Denumire mijloc transport |
Ce se transporta |
Natura materialului transportat |
De unde pana unde se transporta |
Tipul de trasport propus |
|
|
Banda transportoare |
Coli celuloza |
Materie prima solida |
- depozit material finit - sectie |
-pendular unidirectional |
|
|
Conducte |
-ape |
Material lichid |
-intre sectiile de productie |
-pendular unidirectional |
b) Transportul utilitatilor sa se realizeze in sistem liniar pentru energia electrica si in sistem circular pentru abur si apa industriala
c) Transportul informatiilor sa se realizeze prin transmitere directa si prin transmitere pe suporti ( rapoarte de tura, situatii centralizatoare, note de predare)
7.6.3 Organizarea depozitarii
7.6.3.1 Proiectarea obiectivelor activitatii de depozitare
Principalele obiective sunt trecute in tabelul 7.8.
Tabelul 7.8. Obiective principale ale organizarii rationale a depozitelor
|
Nr. crt. |
Obiective |
Mijloace de realizare |
|
|
Simplificarea operatiilor de inventariere |
Amplasarea rationala a materialelor Folosirea de mijloace moderne de depozitare Accesibilitatea directa la materialele depozitate |
|
|
Modificare rapida a amplasarii materialelor in incinta depozitului |
Folosirea unor suporturi de depozitare adecvate |
|
|
Asigurarea unui cost minim de depozitare |
Utilizarea rationala a suprafetelor si volumului disponibil |
|
|
Asigurarea unei eliberari rapide a materialelor depozitate |
Aplicarea unui plan rational de aranjare a materialelor in depozit Simplificarea documentatiei de eliberare a materialelor |
7.6.3.2 Alegerea amplasamentului de depozitare
In cadrul acestei intreprinderi chimice este necesar sa existe 3 zone de depozitare distincte:
Zona de depozitare a materialelor inflamabile
Zona de depozitare materii prime
Zona de depozitare a produsului finit
Deoarece cantitatile de materii prime necesare sunt mari, aceasta zona de depozitare trebuie sa fie amplasata aproape de calea ferata si in acelasi timp in apropierea sectiei de obtinere a produsului finit.
Zona de depozitare a materialelor inflamabile trebuie amplasata aproape de zona unde-si desfasoara activitatea pompierii.
7.6.3.3 Proiectarea fluxurilor de materiale din interiorul depozitelor
Cea mai buna circulatie a materialelor este liniara, intrand pe la unul din capetele depozitului si fiind evacuate pe la celalalt capat.In acest caz se prevad culoare longitudinale deplasarile efectuandu-se intr-un singur sens ( figura7.2 )

Figura 7.2. Fluxul de materiale in interiorul firmei
7.7 Resurse umane
7.7.1. Necesarul de personal
Repartizarea pe sarcini, studii, sexe, a fortei de munca destinata deservirii sectiei de preparare a pastei de hartie strat neted este prezentata in tabelul numarul 7.9.
Repartizarea fortei de munca Tabel 7.9.
|
Nr. Crt |
Sarcini |
Sexul |
|
Studii |
|
Total |
|
Elementare |
Medii |
Superioare |
||||
|
|
Deservire |
B |
|
|
|
|
|
F |
|
|
|
|
||
|
T |
|
|
|
|
||
|
|
Intretinere |
B |
|
|
|
|
|
F |
|
|
|
|
||
|
T |
|
|
|
|
||
|
|
Supraveghere si control la tablou comanda |
B |
|
|
|
|
|
F |
|
|
|
|
||
|
T |
|
|
|
|
||
|
|
Control de calitate |
B |
|
|
|
|
|
F |
|
|
|
|
||
|
T |
|
|
|
|
||
|
|
Total fabricatie |
B |
|
|
|
|
|
F |
|
|
|
|
||
|
T |
|
|
|
|
||
|
|
Gestiune, evidenta |
B |
|
|
|
|
|
F |
|
|
|
|
||
|
T |
|
|
|
|
||
|
|
Total |
B |
|
|
|
|
|
F |
|
|
|
|
||
|
T |
|
|
|
|
Legenda necesara pentru necesarul de forta de munca este prezentata in tabelul 7.10
Legenda simbolurilor locurilor si zonelor de munca Tabelul 7.10.
|
|
|
Locuri de |
munca |
|
|
pentru |
barbati |
Functii si |
pentru |
femei |
|
preferabil pot fi inlocuiti de femei |
exclusiv peste 21ani |
studii |
preferabil pot fi inlocuite de barbati |
exclusiv peste 21ani |
|
|
|
Functii de executie |
|
|
|
|
|
Elementare |
|
|
|
|
|
Medii |
|
|
|
|
|
Superioare |
|
|
|
|
|
Fuctii de conducere |
|
|
|
|
|
Medii |
|
|
|
|
|
superioare |
|
|
Numarul de schimburi se simbolizeaza prin cifre romane scrise in dreapta simbolului.
Numarul de personal se simbolizeaza prin cifre arabe scrise deasupra simbolului.
Panificarea necesarului de forta de munca este prezentata in tabelul 7.11
Tabelul 7.11 Necesarul de forta de munca
|
Tablou comanda 13 ♂I,II,III 1♂I |
Sectie de productie 1♂I 10♂I,II,III 5♀I,II,III 1♂I,II,III |
|||||
|
1♂I Magazie materiale |
1♂I 1♀I,II,III Conducere |
1♂I 3♀I,II,III Laborator |
1♀I 2♀I,II,III Calculator |
1♂I,II;III 3♀I,II,III Atelier reparatii |
1♀I,II Relaxare psihologica |
Magazie de produs finit |
7.7.2 Fondul de salarii si salariul mediu
Pe baza schemei tehnologice si a repartizarii fortei de munca pe servicii, studii si sexe, am calculat fondul de retribuire pentru muncitori si pentru personalul TESA(tabele 7.12. si 7.13.)
Fond retribuire muncitori Tabel 7.12.
|
Loc de munca |
Nr. schimburilor |
Muncitori pe schimb |
Total muncitori |
Retributie lunara |
total |
|
Deservire Instalatie |
|
|
|
|
|
|
Tablou comanda |
|
|
|
|
|
|
Intretinere si reparatii |
|
|
|
|
|
|
Laborator |
|
|
|
|
|
|
Magazie |
|
|
|
|
|
|
Calculator |
|
|
|
|
|
|
Total |
|
|
|
|
|
Fond retribuire TESADP (lei vechi) Tabel 7.13.
|
Loc de munca |
Nr. Schimburilor |
Personal pe schimb |
Total personal TESADP |
Retributie mrdie lunara |
total |
|
Maistri |
|
|
|
|
|
|
Sef Sectie |
|
|
|
|
|
|
Ingineri Chimisti |
|
|
|
|
|
|
Economisti |
|
|
|
|
|
|
Matematicieni |
|
|
|
|
|
|
Inginer AMC |
|
|
|
|
|
|
Iginer CTC |
|
|
|
|
|
|
Gestionar |
|
|
|
|
|
|
Functionar |
|
|
|
|
|
|
Total |
|
|
|
|
|
Fondul de retribuire pentru muncitori = 584.000.000 lei/luna
Fondul de retribuire pentru TESADP = 234.000.000 lei/luna
Fondul de retribuire pentru total personal = 818.000.000lei/luna
![]()
Pe baza acestor date am calculat retributia directa
si productivitatea muncii pe muncitor si total personal.
Fsmuncitor = fond de retribuire muncitor
![]()
Cp = capacitatea de
productie(t/an).
7.4.Programul de lucru propus
numarul schimburilor: 3
durata unui schimb : 8 ore
numarul de zile libere/saptamana : doua zile
7.5. Conditii de munca propuse
Tabelul 7.14 Factori de ambianta fizica si chimica
|
Nr.crt. |
Factori |
Unitate de masura |
Valoare |
|
|
Hala industriala |
Panou de comanda |
|||
|
|
Microclimat: -Temperatura; -Umiditate; -Viteza aerului; -Noxe; |
oC cm/s |
conform NPM |
|
|
|
Iluminat |
Luxi |
General 300 |
General si local 200-500 |
|
|
Cromatica functionala: -pereti; -plafon; -pardoseala; -usi si pervazuri; -utilaje; -fond pentru tablou de comanda; -mobilier |
|
Galben; Alb; Maron; Albastru; Deschis; |
Galben; Alb; Maron; Albastru; Deschis; Verde metalizat; Alb |
|
|
Cromatica pentru securitate conducte |
|
Abur-albastru; Apa-gri; Gaz-galben. |
|
|
|
Zgomot |
db |
70(pentru frecventa medie) |
Pana la 70(pentru frecventa medie) |
|
|
Muzica functionala |
|
|
Emisiuni de 4 reprize distribuite astfel: -10-15 minute inainte si dupa inceperea schimbului; -15 minute inainte si dupa masa; -20 minute inainte de sfarsitul schimbului. |
7 .8. Engineering
7.8.1. Motivarea alegerii variantei tehnologice
Motivarea alegerii variantei tehnologice este facuta in capitolul III paragraful 3.3.
7.8.2. Descrierea tehnologiei adoptate
Descrierea tehnologiei adoptate este facuta in capitolul III paragraful 3.4
7.8.3. Costul inventiei
Pe baza documentarii in legislatia economica si a calculelor facute in cadrul proiectului de management estimam costul inventiei la 900 miliarde lei din care 600 miliarde lei pentru constructii montaj.
7.8.4. Durata de realizare a investitiei
Durata de realizare a investitiei este de 3 ani.
7.8.5. Esalonarea pe ani a investitiei
Esalonarea pe ani a investitiei se face in urmatorul mod:
anul I 40%
anul II 40%
anul III 20%
7.9. Calculul costului
7.9.1. Calculul costului unitar
Costul reprezinta toate cheltuielile care se fac pentru fabricarea unei unitati de produs. Calculul costului unitar se face pe articole de calculatie.(tabelul 7.15 ).
Tabelul 7.15. Calculul costului unitar
|
Articole de calculatie |
UM |
Nc Norma de consum |
Pret unitar lei/UM |
Valoare lei/t |
|
Materii prime si materiale directe: pasta celuloza rasinoase pasta mecanica material de umplere Total materii prime |
t t t |
|
|
|
|
|
|
|
|
|
|
Utilitati tehnologice directe: -energie electrica apa abur CET Total utilitati |
KW/h m.c t |
|
1.600 1.700 |
|
|
Cheltuieli cu munca vie: salarii directe C.A.S., 7 % Ajutor somaj, 2,5 % |
lei/t lei/t lei/t |
|
|
|
|
4. CIFU (10%din1+2+3) |
lei |
|
|
|
|
5. CGS(10%din 1+2+3) |
lei |
|
|
|
|
6. Cost de sectie |
lei |
|
|
|
|
7. CGI(4% din6) |
lei |
|
|
|
|
8. Cost intreprindere |
lei |
|
|
|
|
9. Cheltuieli desfacere |
lei |
|
|
|
|
10. Cost complet(8+9) |
lei |
|
|
|
|
11. Profit(12%) |
lei |
|
|
|
|
12.Pret(10+11) |
lei |
|
|
|
7.10. Bugetul (lei vechi)
Trei elemente ale bugetului sunt importante in acest capitol al studiului de fezabilitate.
![]()
Cheltuieli in primele sase luni de functionare.
Venituri in primele sase luni
![]()
Pret vanzare lei/t x Productia vanduta(t/an)/12 x
6 = V lei/6 luni.
Profitul in primele sase luni
Profit (lei)/luna x 6 =
![]()
7.11. Analiza economica
Indicatorii economici sunt trecuti in tabel.
Tabelul 7.16. Indicatorii economici
|
Indicatori tehnico-economici |
UM |
Valoare |
|
1. Cifra de afaceri |
lei |
|
|
2.Productia marfa anuala |
lei |
(Productia x pret x12) |
|
3. Numarul total salariati |
|
|
|
4. Productivitatea muncii |
lei/sal |
|
|
5.Fond salarii anual |
lei |
|
|
6. Salariul mediu |
lei |
|
|
7.Rentabilitatea |
|
|
|
8.Durata de recuperare a investitiei |
ani |
|
|
9. Numarul de locuri de munca nou create |
|
|
7.12. Analiza de risc
In activitatea interna a intreprinderii riscurile se pot datora:
tehnologia sa nu asigure calitatea stabilita,
incapacitatea temporara de lucru a unor muncitori,
uzura morala prematura a utilajelor,
lipsa materii prime.
Dintre factorii de risc extern mentionam:
greve,
modificarea legislatiei,
scaderea veniturilor populatiei.
7.13. Proiectarea managementului
7.13.1 Misiunea intreprinderii
Misiunea firmei este de a obtine pasta pentru fabricarea hartiei strat neted ca urmare a unei dotari tehnice moderne, a unei flexibilitati tehnologice si a orientarii personalului spre inovari si calitate. Ne propunem sa oferim clientilor produse de calitate, in acest fel vom obtine un profir corespunzator, necesar dezvoltarii intregii intreprinderi.
Firma vinde produsele pe piete diferite, unde calitatea produsului si promptitudinea onorarii comenzii conteaza pentru clienti.
7.13.2. Obiectivele afacerii sunt urmatoarele:
Ne propunem ca in urmatorii 2 ani sa crestem cifra de afaceri cu 7 %;
Ne propunem ca in decursul a trei luni sa facem un curs de calificare a angajatilor;
Ne propunem sa imbunatatim conditiile de munca ale angajatilor prin achizitionarea de tehnologii moderne;
Ne propunem sa evitam poluarea mediului inconjurator prin respectarea legislatiei in vigoare;
Ne propunem sa stimulam angajatii prin acordarea de prime in bani cu ocazia sarbatorilor legale si cu ocazia cresterii profitului.
7.13.3. Strategia generala
Strategia generala se axeaza pe urmatorii factori:
introducerea in functiune a utilajelor noi;
automatizarea utilajelor;
reducerea rebuturilor datorate ruperii benzii de hartie;
cresterea calificarii muncitorilor;
extinderii pietii de desfacere.
7.13.4. Strategii
In domeniul cercetarii:
- alocarea de fonduri pentru cercetare;
- angajarea cercetatorilor pe baza de competenta;
- un sistem de informatie rapid, eficient si ultima ora;
- dotarea laboratoarelor de cercetare cu aparatura moderna performanta;
- posibilitatea schimbului de experienta intre cercetatorii proprii sau ai unei firme de renume mondial in acelasi domeniu.
In domeniul productiei:
modernizarea tehnologiei- aparatura performanta;
aprovizionarea ritmica a locurilor de munca;
obtinerea de produse de calitate conform cerintelor pietei;
reparatii efectuate la timp si de calitate.
In domeniul resurselor umane:
asigurarea de conditii oprime de munca;
motivarea corespunzatoare a personalului;
perfectionarea profesionala a salariatilor;
acordarea pauzelor de odihna, durata optima a schimbului, alternarea schimburilor;
angajare de personal calificat.
In domeniul comercial:
aprovizionare: apropierea de sursa de materii prime, usurinta transportului, aducerea materiei prime la preturi mici;
vanzare: reduceri de pret pentru clienti fideli.
7.13.5. Metoda de conducere
Metoda conducerii dupa obiective
Aceasta este o metoda de conducere bazata pe determinarea riguroasa a obiectivelor pana la nivelul executantilor. Acestia participa nemijlocit la stabilirea obiectivelor si la corelarea recompenselor si sanctiunilor cu nivelul de organizare al obiectivelor.
Urmarirea realizarii obiectivelor se realizeaza prin transmiterea abaterilor la managerii de vartf. Daca este cazul, se iau decizii corective.
Avantajele metodei sunt urmatoarele:
realism in stabilirea obiectivelor;
utilizarea mai buna a timpului de catre manageri;
corelare mai stransa intre recompense si rezultate.
Dintre dezavantaje mentionam:
dificultatea modificarii mentalitatii angajatilor;
succesul aplicarii depinde hotarator de implicarea managerilor de varf.
CAPITOLUL VIII
MASURI DE PROTECTIE A MUNCII SI P.S.I
8.1. Tehnica securitatii si igiena muncii
Protectia muncii cuprinde totalitatea masurilor luate pentru a se asigura tuturor oamenilor muncii conditii bune de munca, pentru a-i feri de accidente si boli profesionale.
In industria chimica problema protectiei muncii este deosebit de importanta deoarece pe langa factorii de periculozitate comuni cu alte ramuri industriale - elemente mobile(periculoase) ale utilajelor, actiunea curentului electric, degajari importante de caldura, zgomote si trepidatii - intervin si numerosi factori specifici industriei chimice, cum ar fi:
degajari de substante toxice;
prezenta frecventa a unor substante inflamabile;
posibilitatea exploziilor cauzate de amestecuri explosive;
operatii cu lichide agresive care pot provoca arsuri chimice;
temperaturi ridicate.
Protectia muncii are urmatoarele trei aspecte:
Protectia juridica a muncii reprezentata de legislatia referitoare la protectia muncii
Protectia sanitara a muncii cuprinde masurile pentru crearea unor conditii fiziologice normale de munca si de suprimare a riscului imbolnavirilor profesionale.
Protectia tehnica a muncii consta in masuri tehnice si organizatorice pentru usurarea muncii si prevenirea accidentelor de munca.
In baza legislatiei, Ministerul Muncii impreuna cu Ministerul Sanatatii au stabilit "Norme de protectie a muncii" care cuprind cadrul general de tehnica a securitatii muncii si normele de igiena a muncii, ambele obligatorii pentru toate ministerele.
Conducerile intreprinderilor si institutiilor elaboreaza la randul lor "Instructiuni de protectie a muncii" pentru conditiile de lucru particulare si specifice unor sectii, ateliere si locuri de munca.
Instruirea oamenilor muncii este obligatorie. Nici un angajat nu poate fi primit la un loc de munca si pus sa lucreze decat dupa ce a fost instruit si s-a facut verificarea insusirii cunostintelor.
La proiectarea intreprinderilor chimice este necesar sa se determine in prealabil categoria de pericol pe care il prezinta procesul tehnologic proiectat, dupa care se trece la amplasarea cladirilor si a constructiilor pe planul general de ansamblu. La amplasarea cladirilor din industria chimica trebuie sa se evite terenurile prea apropiate de regiuni sau cartiere unde exista pericole de incendii sau de explozii. Distanta care trebuie prevazuta este functie de categoria de pericol de incendiu a fabricatiei si gradul de rezistenta la foc al cladirilor. Una din masurile de baza ale tehnicii securitatii la amplasarea cladirilor industriale este izolarea corecta a cladirilor, a constructiilor si depozitelor.
Normele departamentale de protectie a muncii elaborate de Ministerul Industriei Chimice cuprind atat normele de tehnica securitatii muncii cat si normele de igiena a muncii. Masurile de tehnica securitatii muncii se pot clasifica in:
Masuri generale care se refera in principal la alegerea amplasamentului intreprinderii, la planul general al acesteia si la protectia muncii in cladirile industriale;
Masuri speciale care se refera la particularitatile tehnice ale proceselor;
Masuri de protectie individuala a muncitorului care se refera la folosirea echipamentului si materialelor de protectie individuala prevazute de norme.
In industria chimica se aplica atat normele specifice acestei industrii cat si norme de tehnica securitatii muncii pentru activitati nespecifice industriei chimice, dar care exista in diverse unitati chimice.
Normele de tehnica securitatii muncii elaborate de M.I.Ch. sunt grupate in 6 capitole:
a) - tehnica securitatii muncii la instalatii, aparate si masini;
b) - tehnica securitatii muncii la intretinere, reparatii si interventii;
c) - tehnica securitatii muncii pentru procese fizice si chimice;
d) - tehnica securitatii muncii la depozitare;
e) - tehnica securitatii muncii la manipulare, ambalare si transport;
f) - tehnica securitatii muncii in laboratoare.
In continuare se vor prezenta in linii generale problemele tratate in fiecare din capitolele mentionate.
8.1.1..Tehnica securitatii muncii la instalatii aparate si masini
Acest capitol trateaza problemele de securitatea muncii la organele de masini in miscare, la echipamentul de transmitere si dispozitivele de actionare a utilajelor, la conducte si armaturi, aparate de masura si control, vase de reactie, utilaje sub presiune, aparate pentru operatii unitare (centrifuge, extractoare, uscatoare, filtre, malaxoare, etc.) precum si la principalele utilaje din industria celulozei si hartiei.
In prealabil, la acest grup de norme se precizeaza ca proiectantul este obligat sa acorde tot atata importanta realizarii conditiilor de securitate cat acorda si parametrilor tehnici si economici ai aparatului sau instalatiei proiectate. El este obligat ca dintre doua instalatii similare sa aleaga cu precadere pe aceea care prezinta cele mai bune conditii de securitate si cele mai usoare conditii de munca.
8.1.2. Tehnica securitatii muncii la intretinere, reparatii si interventii
In acest capitol se dau norme cu caracter organizatoric si tehnic. Pentru orice interventie sau reparatie se intocmeste un plan de actiune cu sarcini defalcate pe angajati, plan care cuprinde toate masurile de protectie a muncii. Pentru locurile de munca unde exista pericol de incendiu si explozie se intocmeste de catre seful sectiei permisul de lucru cu foc ,aprobat de inginerul sef. Pentru lucrarile la instalatii sub presiune, intrarea in vase de reactie, rezervoare, instalatii in care se prelucreaza substante foarte agresive este necesar in plus permisul de lucru, intocmit de seful sectiei. Este strict interzisa inceperea oricarei lucrari de reparatie si interventie fara a se face in prealabil tuturor celor ce executa operatia respectiva instructajul de protectie a muncii.
8.1.3 .Tehnica securitatii muncii pentru procese fizice si chimice
Dupa un capitol introductiv in care se precizeaza ca absorbtia noxelor de orice gen se face la locul unde se produce le, fiind contraindicata absorbtia lor prin ventilatie generala si ca alimentarea utilajelor cu substante toxice, corozive, iritante, inflamabile si cele care degaja praf se va face mecanizat si etans, se trateaza:
- tehnica securitatii muncii la efectuarea unor procese chimice unitare (halogenari, sulfonari, esterificari, polimerizari, etc.);
- tehnica securitatii muncii la efectuarea unor operatii fizice unitare (extractie, decantare, centrifugare, filtrare, absorbtie, distilare si rectificare, uscare, etc.);
- tehnica securitatii muncii la operatii cu substante toxice, inflamabile, explosive, corozive, caustice.
8.1.4. Tehnica securitatii muncii la depozitare
Se dau norme referitoare la amplasarea si depozitarea substantelor toxice, inflamabile si explozive. Este interzisa depozitarea in aceeasi incapere a substantelor toxice, inflamabile si explosive,cu diverse materiale. De asemenea, substantele chimice ar putea reactiona unele cu altele degajand substante periculoase. Ele trebuiesc depozitate la distanta unele de altele in incaperi separate.
8.1. 5 .Tehnica securitatii muncii la manipulare, depozitare si transport
Deoarece statisticile arata ca 35% din accidentele de munca se inregistreaza la operatiile de manipulare, aceasta problema prezinta o deosebita importanta. Normele prevad ca aceste operatii sa se execute numai sub supravegherea unui conducator al procesului de munca instruit special in acest scop. Lucrul tinerilor sub 16 ani la operatiile manuale de incarcare, descarcare si transport este interzis.
8.1.6. .Tehnica securitatii muncii in laboratoare
Din ansamblul normelor referitoare la aceasta problema, norme care se refera la ventilatie, manipularea sticlariei, a dispozitivelor de incalzire, a utilajelor sub presiune, a substantelor toxice, inflamabile, etc., trebuie retinuta obligatia generala, pentru munca de cercetare, de a se aplica si respecta in toate fazele metodologia de lucru adecvata privind protectia muncii.
In ceea ce priveste masurile de protectie individuala ale muncitorului, pentru a completa masurile tehnice luate in instalatii este necesar sa se foloseasca echipamentele si materialele de protectie individuala prevazute de normative. Toti cei care conduc si controleaza procesele de productie sunt obligati sa nu permita executarea nici unei operatii inainte de a verifica dotarea fiecarui muncitor cu toate sortimentele de echipament si materiale necesare.
8.1.7.Norme de igiena a muncii
Normele de igiena a muncii se refera la principalii factori profesionali nocivi din mediul de productie. Ele stabilesc valorile limita sau optime ale acestor factori, valori care, respectate, previn imbolnavirile profesionale si asigura conditii normale de lucru.
In aceste norme sunt tratate probleme referitoare la efortul fizic, microclimatul incaperilor de lucru, precum si prevenirea imbolnavirilor profesionale si a accidentelor de munca provocate de gaze, vapori si pulberi.
Se dau concentratiile maxime admise in atmosfera zonei de lucru, in mg/m3 aer, la cca. 400 substante, de asemenea norme referitoare la iluminat, nivel de zgomot si vibratii.
8.2 Masuri P.S.I
Incendiile si exploziile se produc numai atunci cand sunt prezente in cantitati suficiente trei elemente:substanta combustibila, oxigenul si caldura.
Cauzele principale ale incendiilor si exploziilor se datoresc, pe de o parte aprinderii si autoaprinderii, iar pe de alta parte nerespectarii parametrilor procesului tehnologic, lipsei de instructaj, de atentie, de curtenie, etc.
Exploziile pot fi provocate de depasirea instantanee a limitei de rezistenta a peretilor vaselor (cazane, rezervoare, etc.) produsa de presiunea gazelor sau vaporilor. Exploziile produse de gazele combustibile, vapori sau praf, in amestec cu aerul sau oxigenul au loc numai la anumite concentratii, care variaza cu presiunea si temperatura amestecului.
Incendiul izbucneste ca urmare a depozitarii in sectii a unor substante usor inflamabile sau explozive, care depasesc cantitatile admise, precum si a depozitarii lor necorespunzatoare in ambalaje deteriorate, langa sursa de caldura si lipsa de supraveghere a lor. Cea mai frecventa cauza de aprindere este flacara directa produsa de diferite surse..
Pentru a cunoaste masurile necesare care trebuie luate in vederea prevenirii incendiilor si exploziilor se impune studierea amanuntita a tuturor locurilor de munca, din punctul de vedere al posibilitatilor de izbucnire a incendiilor si exploziilor, spre a putea lua masurile necesare pentru evitarea lor. S-a aratat ca izbucnirea incendiilor sau exploziilor se datoreste prezentei a trei elemente: substanta combustibila, sursa de caldura si aerul sau oxigenul. Lipsa sau reducerea unuia din cele trei elemente face ca incendiul sau explozia sa nu mai aiba loc sau sa se termine repede, fara urmari grave.
Deci, masurile generale prevenirii incendiilor sau exploziilor sunt, in principal, urmatoarele:
- evitarea sau reducerea substantei combustibile;
- evitarea sau reducerea sursei de caldura;
- evitarea sau reducerea oxigenului, aerului sau a substantelor cu un continut mare de oxigen;
- impiedicarea contactului substantei combustibile cu sursa de caldura;
- controlul permanent al surselor de caldura si cunoasterea caracteristicilor periculoase ale substantelor combustibile;
- masuri de siguranta pentru ecranarea sursei de caldura si oprirea accesului substantelor combustibile in eventuala zona de ardere;
- controlul automat al concentratiilor de oxigen in zona de pericol.
8.6.2.1.Materiale folosite pentru stingerea incendiilor
Materialele stingatoare sunt acele materiale care, folosite intr-un anumit mod in zona de ardere, actioneaza defavorabil asupra conditiilor necesare arderii, oprind arderea. Materialele stingatoare se folosesc fie in stare gazoasa, lichida sau solida, fie sub forma unor amestecuri de lichide cu gaze sau lichide cu substante solide, insa procesul si rapiditatea aplicarii sunt factorii hotaratori al stingerii incendiilor.
Cele mai raspandite substante stingatoare sunt: apa, aburul, solutiile apoase de saruri, CCl4, CO2, spuma chimica si mecanica, prafurile stingatoare.
APA. Folosirea apei la stingerea incendiilor se bazeaza pe proprietatile ei de racire si izolare termica. Proprietatile de racire ale apei se datoresc capacitatii de absorbtie a caldurii si caldurii latente de vaporizare, care au o valoare importanta. Racirea suprafetelor aprinse va fi cu atat mai mare cu cat cantitatea de apa transformata in vapori va fi mai mare.
Desi apa poseda astfel de calitati pentru stingerea incendiilor, domeniul ei de utilizare in acest scop este limitat. Produsele petroliere si dizolvantii organici nemiscibili cu apa, avand o densitate mai mica, plutesc la suprafata ei si ard in continuare. Apa folosita la stingerea incendiilor contine saruri, deci este buna conducatoare de electricitate. Din acest motiv folosirea ei la stingerea incendiilor produse in instalatii de inalta tensiune trebuie sa se faca utilizandu-se dispozitive speciale.
Unele substante reactioneaza violent cu apa, producand o degajare mare de caldura si de gaze, care pot da nastere incendiilor si exploziilor.
La stingerea incendiilor se folosesc jeturi de apa compacte sau pulverizate.
ABURUL. Stingerea incendiilor cu ajutorul aburului se bazeaza pe reducerea concentratiei de oxigen din zonele de ardere. Folosirea aburului pentru stingerea substantelor gazoase, lichide si solide se face in locurile unde exista instalatii de cazane si sisteme fixe de stingere.
In afara de reducerea concentratiei de oxigen din zona de ardere, la stingerea incendiilor contribuie si efectul mecanic al jetului. Acest procedeu se foloseste la stingerea incendiului la coloanele de rectificare, la conducte, etc.
SOLUTII APOASE DE SARURI. In scopul imbunatatirii calitatii apei se folosesc adaosuri: CaCl2, Na2SO4, (NH4)2SO4, etc. Prin evaporarea apei, aceste solutii formeaza la suprafata materialului aprins un strat de sare care se topeste, iar in unele cazuri se dezagrega. In urma dezagregarii se degaja gaze necombustibile care reduce concentratia oxigenului in zona de ardere, contribuind astfel la stingerea incendiului.
Solutiile de saruri se folosesc la stingatoarele manuale.
TETRACLORURA DE CARBON. Are proprietatea de a stinge focul, insa folosita in incaperi inchise poate da nastere fosgenului, gaz foarte toxic. In scopul reducerii formarii fosgenului se adauga in CCl4, diferite substante ca: aniline, amoniac, benzen, etc.
Tetraclorura de carbon se utilizeaza la stingerea incendiului la instalatii electrice de inalta tensiune, la motoarele cu ardere interna, la substantele lichide si solide pe o suprafata mica, etc.
BIOXIDUL DE CARBON. Nu arde si este un slab conducator de electricitate, ceea ce permite folosirea lui la stingerea incendiilor in instalatiile electrice. Introdus in zonele de ardere, CO2 dilueaza atmosfera, reducand concentratia substantei combustibile si a oxigenului din atmosfera de ardere, micsorand sau oprind arderea.
SPUMELE STINGATOARE. Spuma este formata din bule de gaz inconjurate de un strat subtire de lichid. In prezent se folosesc doua feluri de spume: chimice si mecanice (aeromecanice). Spuma chimica este rezultatul unei reactii chimice si se compune din trei bule de gaz (CO2) care au un invelis din solutii apoase de saruri. Spumele mecanice se realizeaza prin amestecarea mecanica a solutiei. Densitatea spumelor este mica si in consecinta plutesc pe suprafata lichidelor usoare separand flacara de substanta combustibila.
PRAFURI STINGATOARE. In compozitia acestor prafuri intra diferite saruri (CaCO3, bicarbonat de sodiu, etc.) substante care preintampina aglomerarea sarurilor (talc, praf de azbest) si substante care contribuie la topirea lor( NaCl , CaCl2).
Prafurile stingatoare impiedica dezvoltarea arderii prin acoperirea suprafetelor solide aprinse cu un strat izolator care prin topirea sarii contribuie mai activ la stingerea incendiului. Degajarea unor saruri, produce gaze incombustibile care contribuie la stingerea incendiului.
Acest document nu se poate descarca
| E posibil sa te intereseze alte documente despre:
|
| Copyright © 2025 - Toate drepturile rezervate QReferat.com | Folositi documentele afisate ca sursa de inspiratie. Va recomandam sa nu copiati textul, ci sa compuneti propriul document pe baza informatiilor de pe site. { Home } { Contact } { Termeni si conditii } |
| Documente similare: |
ComentariiCaracterizari
|
Cauta document |